EasyManua.ls Logo

Studiomaster Professional DJA2500 - Schematics with Ac & DC Volatges

Studiomaster Professional DJA2500
38 pages
Print Icon
To Next Page IconTo Next Page
To Next Page IconTo Next Page
To Previous Page IconTo Previous Page
To Previous Page IconTo Previous Page
Loading...
34
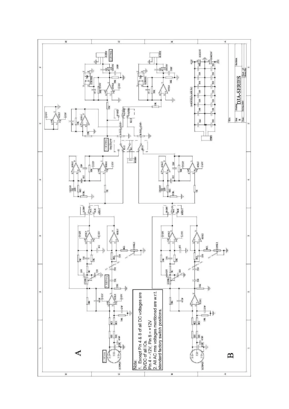
PCB SCHEMATICS
1. Input Pcb

Related product manuals