EasyManua.ls Logo

Stulz CyberAir Mini CW - Page 47

Stulz CyberAir Mini CW
90 pages
Print Icon
To Next Page IconTo Next Page
To Next Page IconTo Next Page
To Previous Page IconTo Previous Page
To Previous Page IconTo Previous Page
Loading...
3
{
© STULZ GmbH – all rights reserved EN/04.2021
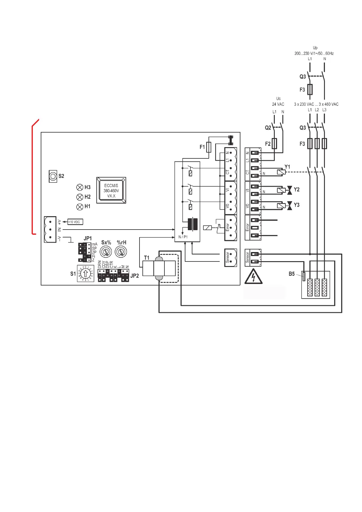
steam humidifier iNstruCtiONs






 
 
 
 
 
 
 
 
 
 
 
 
 
 
 
 
 

Related product manuals