EasyManua.ls Logo

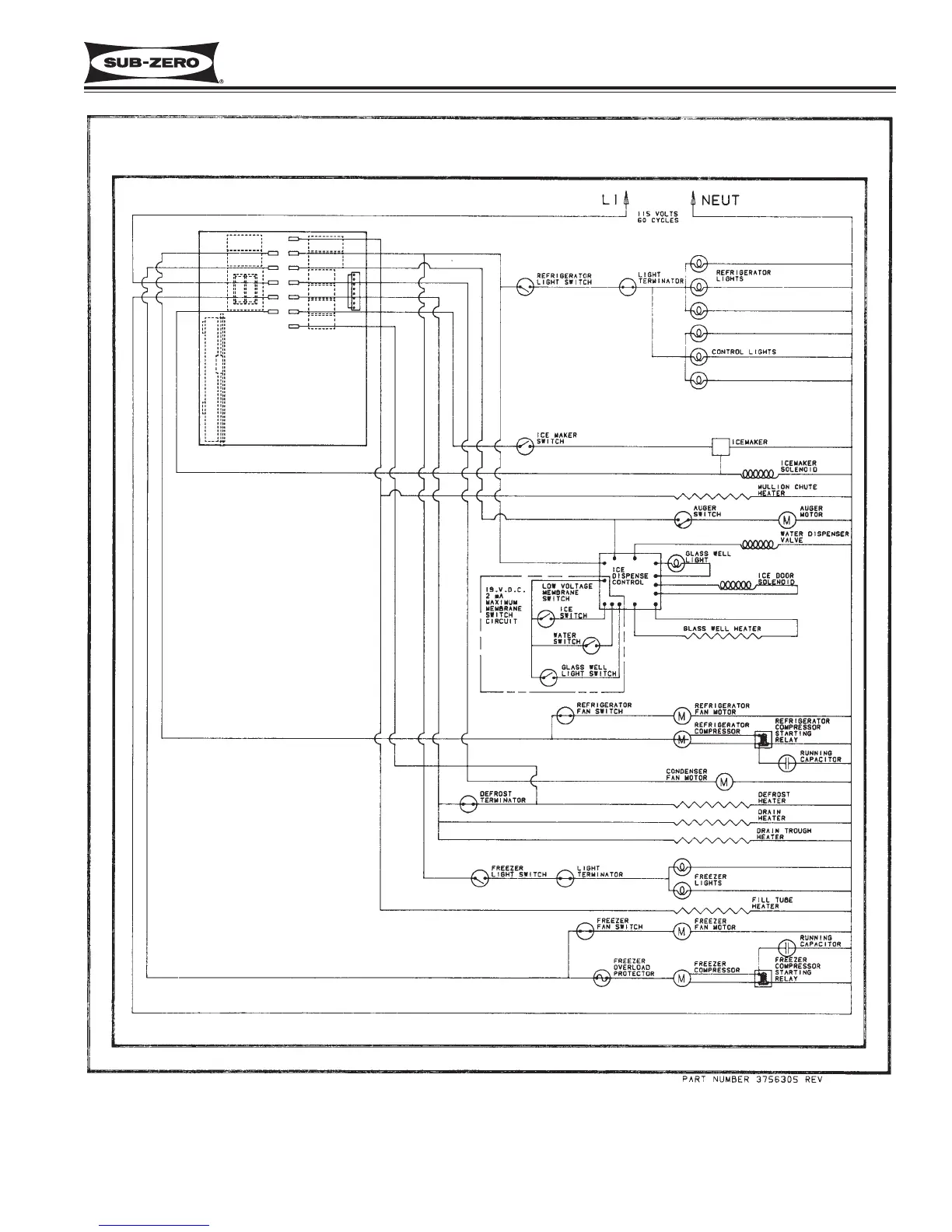
Sub-Zero 600 Series - Wiring Schematic Model: 690

Sub-Zero 600 Series
134 pages
Print Icon
To Next Page IconTo Next Page
To Next Page IconTo Next Page
To Previous Page IconTo Previous Page
To Previous Page IconTo Previous Page
Loading...
Wiring Diagrams/Schematics
600 Series
(Prior to #1810000)
10-11
#3756270 - Revision B - January, 2006
WIRING SCHEMATIC MODEL: 690

Table of Contents

Other manuals for Sub-Zero 600 Series

Related product manuals