EasyManua.ls Logo

Sub-Zero 695-2 - Model 611 G-2; 650 G-2

Sub-Zero 695-2
188 pages
Print Icon
To Next Page IconTo Next Page
To Next Page IconTo Next Page
To Previous Page IconTo Previous Page
To Previous Page IconTo Previous Page
Loading...
Wiring Diagrams / Schematics
Built-In
Built-In
(600-
(600-
2
2
)
)
Series
Series
1
2 3
1234
CONNECTOR
4
321
REFRIGERATOR
FAN MOTOR
1 PINK
ORANGE
ORANGE
3 GREEN
2 WHITE
WHITE
ORANGE
LIGHT
TERMINATOR
REFRIGERATOR
FAN SWITCH
CONDENSER
FAN MOTOR
WHITE W/RED STRIPE 1
WHITE 2
POWER
SUPLY
CORD
L2
L1
GRAY W/WHITE
BLACK
SENSOR
(FRZ CABINET)
1. FAN SWITCH
2. LIGHT SWITCH
3. ICEMAKER SWITCH
BLUE W/BLACK STRIPE
BLUE W/BLACK STRIPE
ORANGE W/BLACK
PURPLE
GRAY
YELLOW
BLUE
PINK
TAN
WHITE W/RED STRIPE
ORANGE
BLUE W/WHITE STRIPE
OVERLOAD
PROTECTOR
FRZ COMPRESSOR
STARTING
RELAY
120 VOLT CIRCUITS
NOT USED(NO PIN)
ACCENT LIGHTS
FRZ DOOR LIGHT SENSE
REF DOOR LIGHT SENSE
NOT USED(NO PIN)
REF COMPARTMENT
FRZ COMPARTMENT
FRZ COMPARTMENT
LOW VOLTAGE THERMISTOR CIRCUITS
ICE MAKER VALVE SENSOR
J4-2
J1-3
J1-5
J1-4
J1-6
J1-7
J1-8
J4-3
J4-4
J4-5
J1-1
J1-2
REF EVAP
REF EVAP
REF COMPARTMENT
FRZ EVAP
FRZ EVAP
DEF SENSOR
DEF HTR
J7-3
J7-8
J7-6
J7-7
J7-4
J7-5
J4-1
NEU
LITE
J7-1
J7-2
E6
E2
E10
E7
E FAN
RCOMP
C FAN
FCOMP
L1
NEUTRAL
NOT USED
ICE MAKER/FILL TUBE HTR
LIGHTS
DEFROST HEATER
FRZ COMPRESSOR
POWER IN
REF COMPRESSOR
COND FAN & DOOR HEATER
REF EVAP FAN
POWERS ACCENT LIGHTS
SENSES WHEN DEF HEATER SHUTS OFF
SENSES WATER VALVE ACTIVATION
SENSES IF REF DOOR OPEN
SENSES FRZ EVAP TEMP
SENSES FRZ EVAP TEMP
SENSES REF EVAP TEMP
SENSES REF EVAP TEMP
SENSES REF CABINET
SENSES FRZ CABINET TEMP
SENSES FRZ CABINET TEMP
SENSES REF CABINET
POWERS DEFROST CIRCUIT
NEUTRAL INTO BOARD
POWER INTO BOARD
POWERS FRZ COMPRESSOR
POWERS ICE MAKER AND FILL TUBE HEATER
POWERS LIGHTS
POWERS REF COMPRESSOR
POWERS CONDENSER FAN AND DOOR HEATER
SENSES IF FRZ DOOR OPEN
ORANGE
ORANGE/YELLOW
BLUE/YELLOW
BLUE/BLACK
BLUE/BLACK
BLUE/WHITE
BLUE/WHITE
BLUE/RED
ORANGE/RED
GRAY/WHITE
TAN
WHITE/BLUE
WHITE
ORANGE W/BLACK
PINK
YELLOW
WHITE/RED
GRAY
BLUE
BLACK
PURPLE
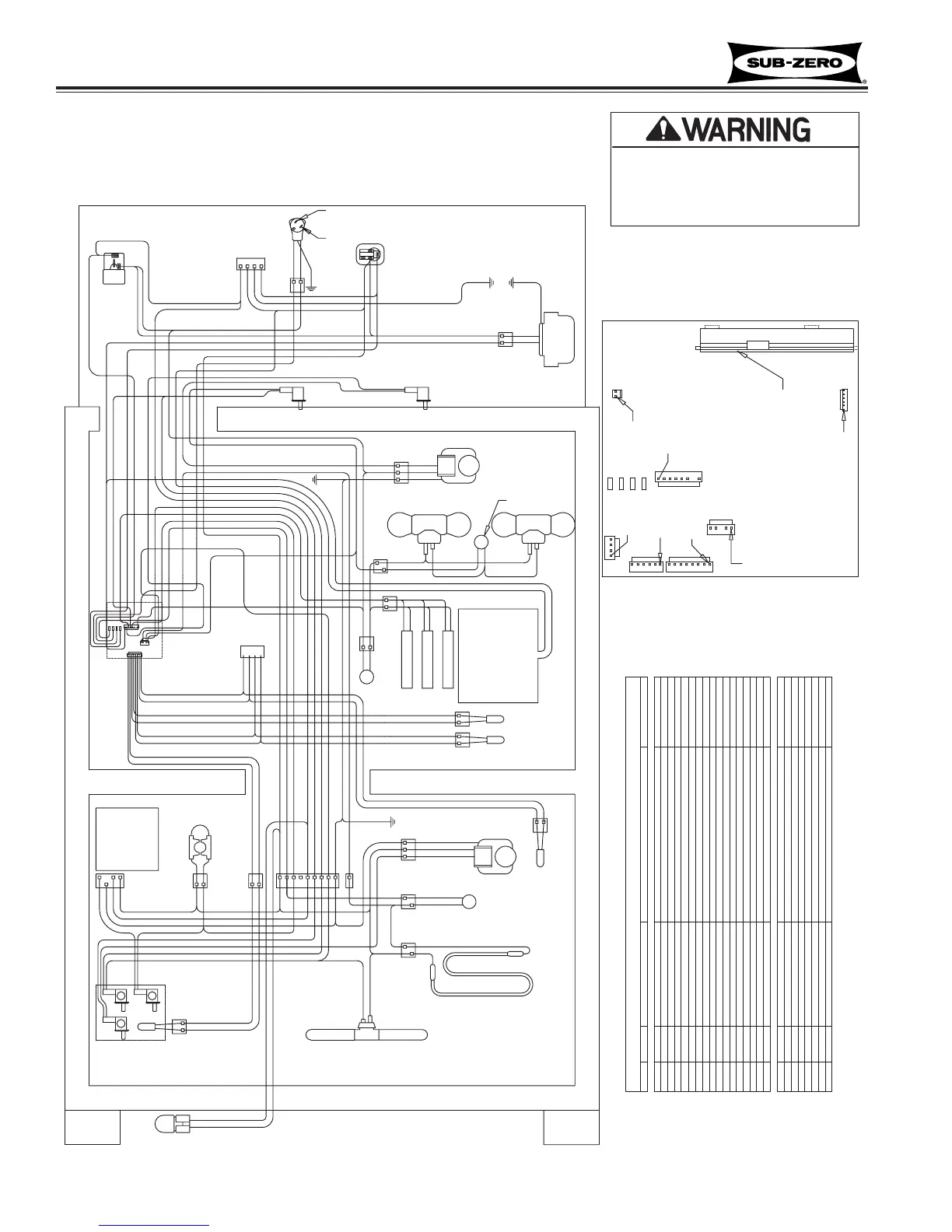
CONTROL BOARD SUMMARY
CIRCUIT DESCRIPTION FUNCTION COLOR
POWERS REF EVAP FAN
RED
BLUE W/YELLOW STRIPE
ACCENT
LIGHTS
IACC
ICE
FDR
RDR
WHITE
WHITE
J4
E6E10E7E2
(FOUND BY
COMPRESSOR)
CONNECTOR
ORANGE W/BLACK
4 ORANGE W/BLACK
LIGHTS:
NOTE: (1) LIGHT
IN 611 FREEZER
ICEMAKER
WATER VALVE
WHITE
TAN
BLUE W/BLACK STRIPE
BLUE W/BLACK STRIPE
FILL TUBE
HEATER
WHITE 4
GREEN 1
PINK 3
TAN 2
ICEMAKER
WHITE
ORANGE W/ BLACK
YELLOW
RED
PURPLE
PINK
GREEN
TAN
2
1
WHITE
TAN
7 PINK
2 WHITE
5 BLUE
9 TAN
6 PURPLE
8 YELLOW
BLUE W/RED STRIPE
ORANGE W/RED STRIPE
BLUE W/WHITE STRIPE
BLUE W/WHITE STRIPE
BLUE W/YELLOW STRIPE
ORANGE W/YELLOW STRIPE
BLUE W/BLACK STRIPE
BLUE W/BLACK STRIPE
YELLOW
PURPLE
WHITE
BLUE
TAN
PINK
ORANGE W/BLACK
PART NUMBER 3757920 REV A
DEFROST
TERMINATOR
FREEZER
FAN MOTOR
DEFROST HEATER
GRAY W/WHITE
WHITE
WHITE
2 BLACK
1 BLACK
BLUE
GREEN
WHITE
RED
3 GREEN
GRAY W/WHITE
GREEN
2 BLACK
1 BLUE
2 WHITE
3 GREEN
1 RED
SENSOR
(FRZ EVAP)
ORANGE W/RED STRIPE
BLUE W/YELLOW STRIPE
BLUE W/RED STRIPE
GRAY W/WHITE
GREEN
LIGHT
TERMINATOR
SENSOR (REF
EVAP)
SENSOR (REF
CABINET)
REFRIGERATOR
LIGHT SWITCH
WIRING DIAGRAM
MODELS 611G-2 & 650G-2
WHITE W/BLUE STRIPE
WHITE W/RED STRIPE
RED
GRAY W/WHITE STRIPE
WHITE
YELLOW
PURPLE
TAN
PINK
BLUE
RED
RUNNING
CAPACITOR
PURPLE
WHITE
WHITE
PURPLE
YELLOW
BLACK
GRAY
WHITE
RED
ORANGE
PURPLE
WHITE
WHITE
WHITE
GRAY
GREEN
1 PLAIN
2 RIBBED
GREEN
STARTING
RELAY
2 WHITE
1 ORANGE
REFRIGERATOR
LIGHTS
RED
WHITE
GREEN
GREEN
RED
WHITE
WHITE
GRAY
GREEN
-This wiring information is provided for use by qualified
service personnel only.
-Disconnect appliance from electrical supply before
beginning service.
-Be sure all grounding devices are connected when
service is complete.
-Failure to observe the above warnings may result in
severe electrical shock.
REFRIGERATOR
COMPRESSOR
J7
DOOR
HEATER
J1
ORANGE W/YELLOW STRIPE
WHITE W/BLUE STRIPE
WHITE W/RED STRIPE
ORANGE
WHITE
WHITE
PURPLE
2 WHITE
1 WHITE W/BLUE STRIPE
WHITE
RED
WHITE
WHITE
RED
E7
WHITE W/RED STRIPE
J3
0
E2
0
PIN 1
PIN 1
DISPLAY
PIN 1
PIN 1
PIN 1
0
J2
J1
0
J4
PIN 1
E10
E6
0
J7
0
PIN 1
J5
0
J6
10-10
#3758407 - Revision B - August, 2006

Table of Contents

Other manuals for Sub-Zero 695-2

Related product manuals