EasyManua.ls Logo

Sub-Zero 695-2 - Functions of the Electronic Control System

Sub-Zero 695-2
188 pages
Print Icon
To Next Page IconTo Next Page
To Next Page IconTo Next Page
To Previous Page IconTo Previous Page
To Previous Page IconTo Previous Page
Loading...
Built-In
Built-In
(600-
(600-
2
2
)
)
Series
Series
Electronic Control System
3-8
#3758407 - Revision B - August, 2006
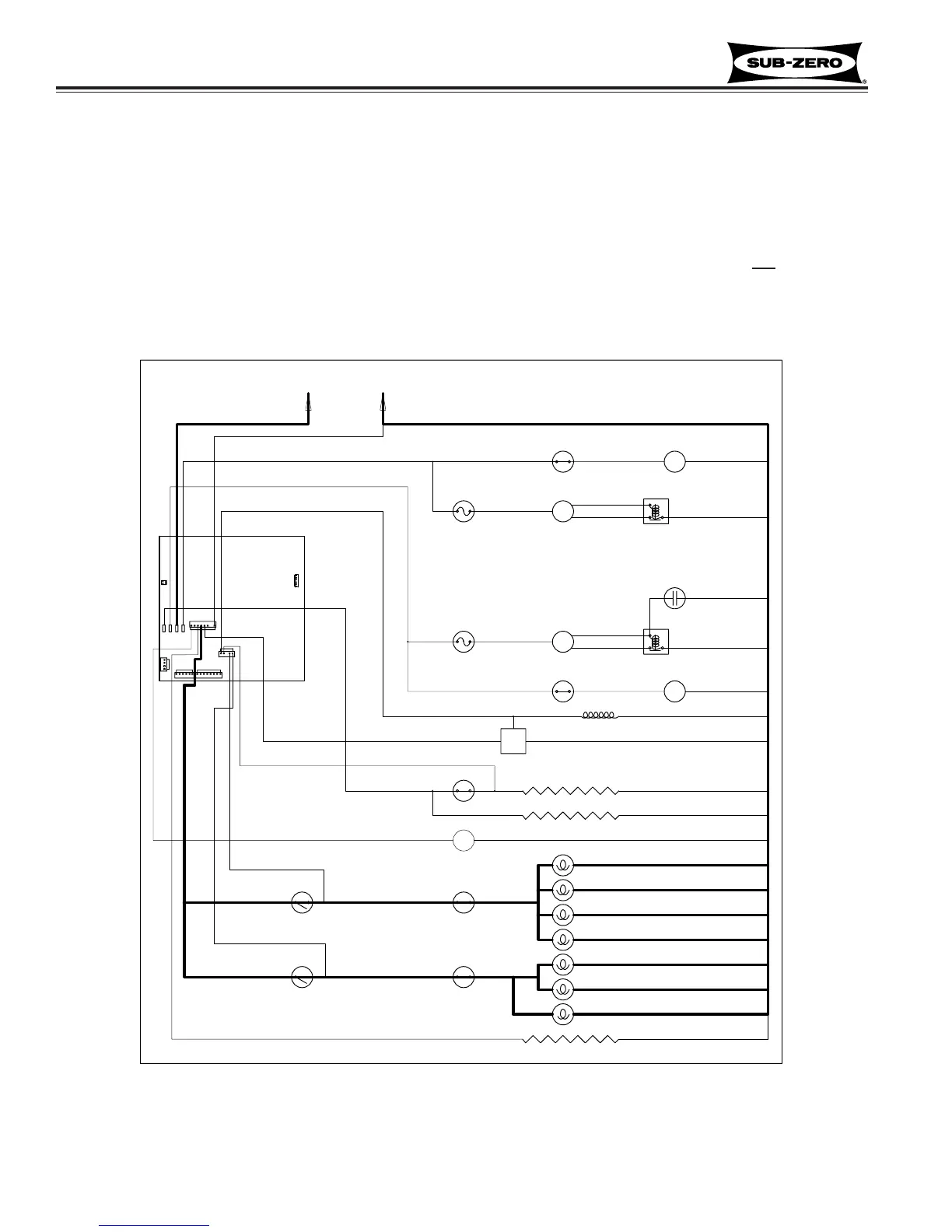
FUNCTIONS OF THE ELECTRONIC CONTROL SYSTEM
The following pages explain monitoring, regulating and controlling functions of the electronic control system. In most
cases signal traces on a model 632-2 wiring schematic are used to show current flow for functions being explained.
Supply Power to the Lighting System
115 Volts AC are supplied to the lighting system through the control board when the unit is switched ON
by pressing
the UNIT ON/OFF key. With the doors open, the light switches allows power to the lights (See Figure 3-10).
NOTE: 115 Volt AC signal to the lights is monitored by the microprocessor to control the door ajar alarm feature.
NOTE: If in Sabbath Mode, th lighting system is disabled. Sabbath Mode will be covered later.
Figure 3-10. Signal Trace Schematic of Lighting System
NEUTL1
REFRIGERATOR
LIGHTS
LIGHT
TERMINATOR
REFRIGERATOR
LIGHT SWITCH
FREEZER
LIGHTS
FREEZER
LIGHT
FREEZER
LIGHT SWITCH
LIGHT
TERMINATOR
115 VOLTS
60 CYCLES
ORANGE
BLACK WHITE
ORANGE
BROWN
J2
J3
E7E2 E6E10
J1
J4
J5
J7
J6
ORANGE
BROWN
M
M
M
M
M
CONTROL
BOARD
YELLOW
ORANGE

Table of Contents

Other manuals for Sub-Zero 695-2

Related product manuals