EasyManua.ls Logo

Sub-Zero 695-2 - Page 35

Sub-Zero 695-2
188 pages
Print Icon
To Next Page IconTo Next Page
To Next Page IconTo Next Page
To Previous Page IconTo Previous Page
To Previous Page IconTo Previous Page
Loading...
Built-In
Built-In
(600-
(600-
2
2
)
)
Series
Series
Electronic Control System
3-15
#3758407 - Revision B - August, 2006
Monitor Icemaker System and Display If Service is Needed (Starting with Serial #2092137)
The microprocessor observes the 115 Volts AC supplied to the icemaker water valve solenoid. If the solenoid is
energized for more than 15 seconds, power to the icemaker system is disabled for 24 hours (See Figure 3-19), and
an error code is logged (EC 30). If this happens five consecutive times, ICE and SERVICE on the LCD will flash
and the ICE ON/OFF key will be disabled (See Figure 3-20).
NOTE: To clear the ICE and SERVICE error indicators, and reactivate the ICE ON/OFF key, the problem must be
corrected, then the unit must be switched OFF and back ON, and the Alarm key must be pressed for 15 seconds to
clear the Error Code.
NOTE: To allow ice
to freeze fully and
reduce effects of low
water pressure,
power to the icemak-
er system is interrupt-
ed for 45 minutes
after each ice har-
vest. This can be
bypassed for service
purposes by switch-
ing the icemaker sys-
tem OFF, then back
ON using the ICE
ON/OFF key.
NOTE: When in
Sabbath Mode, the
icemaker system is
disabled. Sabbath
Mode will be covered
NOTE: Prior to serial
#2092137, ICE and
SERVICE will flash if
If the solenoid is
energized for more
than 15 seconds, but
the ice making sys-
tem will not shut
down for 24 hours.
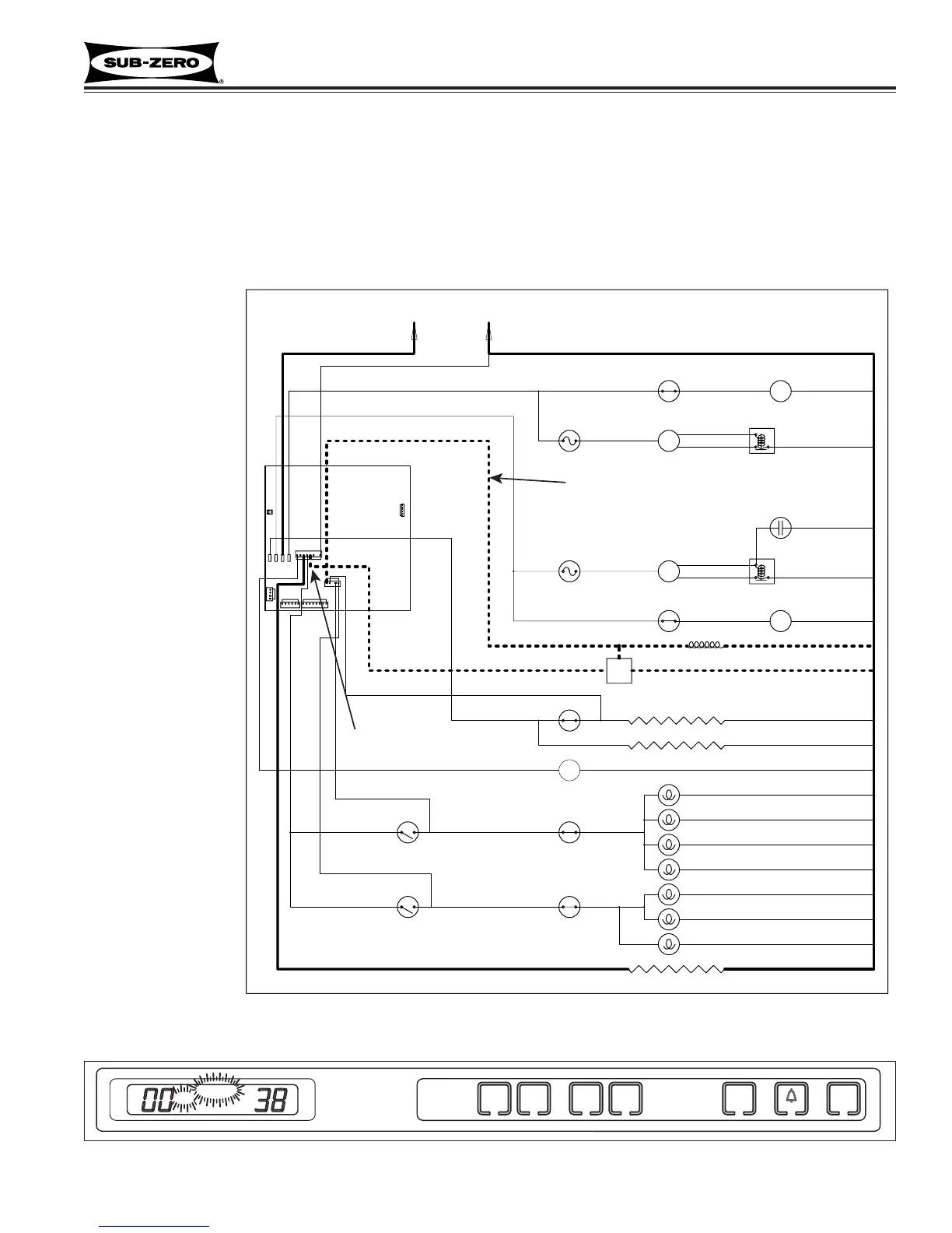
Figure 3-19. Signal Trace Schematic of Icemaker Electrical System
Figure 3-20. ICE & SERVICE Flashing = Solenoid Energized 15 sec., every 24 hrs., 5 consecutive times
ICE
UNITICE
REFRIGERATOR
ON/OFF
ON/OFF
ON/OFF
WARMERCOLDER
FREEZER
SERVICE
WARMERCOLDER
NEUTL1
ICEMAKER
WATER
VALVE
FILL TUBE
HEATER
115 VOLTS
60 CYCLES
160 OHMS
BLACK WHITE
TAN
PINK
WHITE\BLUE
J2
J3
E7E2 E6E10
J1
J4
J5
J7
J6
M
M
M
M
M
2600 OHMS
CONTROL
BOARD
115V AC to water valve solenoid is
monitored by microprocessor.
If solenoid is energized longer
than 15 seconds, power to
icemaker system is cut.
Fill tube heater is energized 100% when ice system is
switched ON. This is not effected if solenoid is energized
more than 15 seconds.

Table of Contents

Other manuals for Sub-Zero 695-2

Related product manuals