EasyManua.ls Logo

Sub-Zero 700-2 Series - Page 21

Sub-Zero 700-2 Series
166 pages
Print Icon
To Next Page IconTo Next Page
To Next Page IconTo Next Page
To Previous Page IconTo Previous Page
To Previous Page IconTo Previous Page
Loading...
Page 21
Electronic Control
Integrated (
Integrated (
700-
700-
2) Series
2) Series
3-11
#3756780 - Revision D - July, 2005
J6
J5
J3
E2 E7 E10 E6
J2
J1
J7
J4
HIGH VOLTAGE
FREEZER
OVERLOAD
PROTECTOR
NEUT
115 VOLTS
60 CYCLES
L1
REFRIGERATOR
OVERLOAD
PROTECTOR
FREEZER
FAN
SWITCHES
FREEZER
COMPRESSOR
STARTING
RELAY
FREEZER
FAN MOTOR
RUNNING
CAPACITOR
REFRIGERATOR
COMPRESSOR
REFRIGERATOR
FAN SWITCH
REFRIGERATOR
FAN MOTOR
WHITE
GRAY
BLACK
PURPLE
WHITE
PURPLE RED
RED
STARTING
RELAY
RUNNING
CAPACITOR
(WHEN USED)
(WHEN USED)
M
M
M
M
M
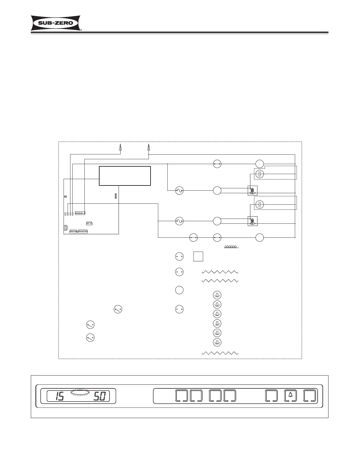
Figure 3-15. 700TC/I-2 Signal Trace Schematic (High Voltage) of Compressor Electrical System
Figure 3-16. SERVICE Flashing Possibly Because of Several Excessive Compressor Run Periods Occurring
UNIT
UNIT
ICE
ICE
WARMER
WARMER
COLDER
COLDER
REFRIGERATOR
REFRIGERATOR
ON/OFF
ON/OFF
ON/OFF
ON/OFF
ON/OFF
ON/OFF
WARMER
WARMER
COLDER
COLDER
FREEZER
FREEZER
SERVICE
SERVICE
length of compressor
run time is monitored
by microprocessor.
Monitor Compressor Run Duration, Displays If Service may be Needed (700TC/I-2, 700TR-2 and 700TF/I-2)
The microprocessor in the models 700TC/I-2, 700TR-2 and 700TF/I-2 senses the 115 volt output supplied to the
compressor(s), monitoring the length of compressor run time (See Figure 3-15). If several excessive compressor
run periods occur, a signal is sent to the SERVICE annunciator on the LCD to flash (See Figure 3-16).
NOTE: A flashing SERVICE annunciator can indicate excessive compressor run or a faulty refrigerator evaporator
thermistor. Diagnostic Mode (covered later in this section) should be initiated to narrow the search for possibilities.
This is also covered in the Troubleshooting Guide section of this manual.
NOTE: To clear a flashing SERVICE error annunciator, the problem must be corrected, then the unit must be
switched OFF and back ON.
NOTE: If the unit is ever switched OFF then back ON, the compressors will not energize for at least three minutes.
This three minute minimum OFF time is used to protect the compressor and its electricals.

Related product manuals