EasyManua.ls Logo

Sub-Zero 700-2 Series - Page 40

Sub-Zero 700-2 Series
166 pages
Print Icon
To Next Page IconTo Next Page
To Next Page IconTo Next Page
To Previous Page IconTo Previous Page
To Previous Page IconTo Previous Page
Loading...
Page 40
Electronic Control
Integrated (
Integrated (
700-
700-
2) Series
2) Series
3-30
#3756780 - Revision D - July, 2005
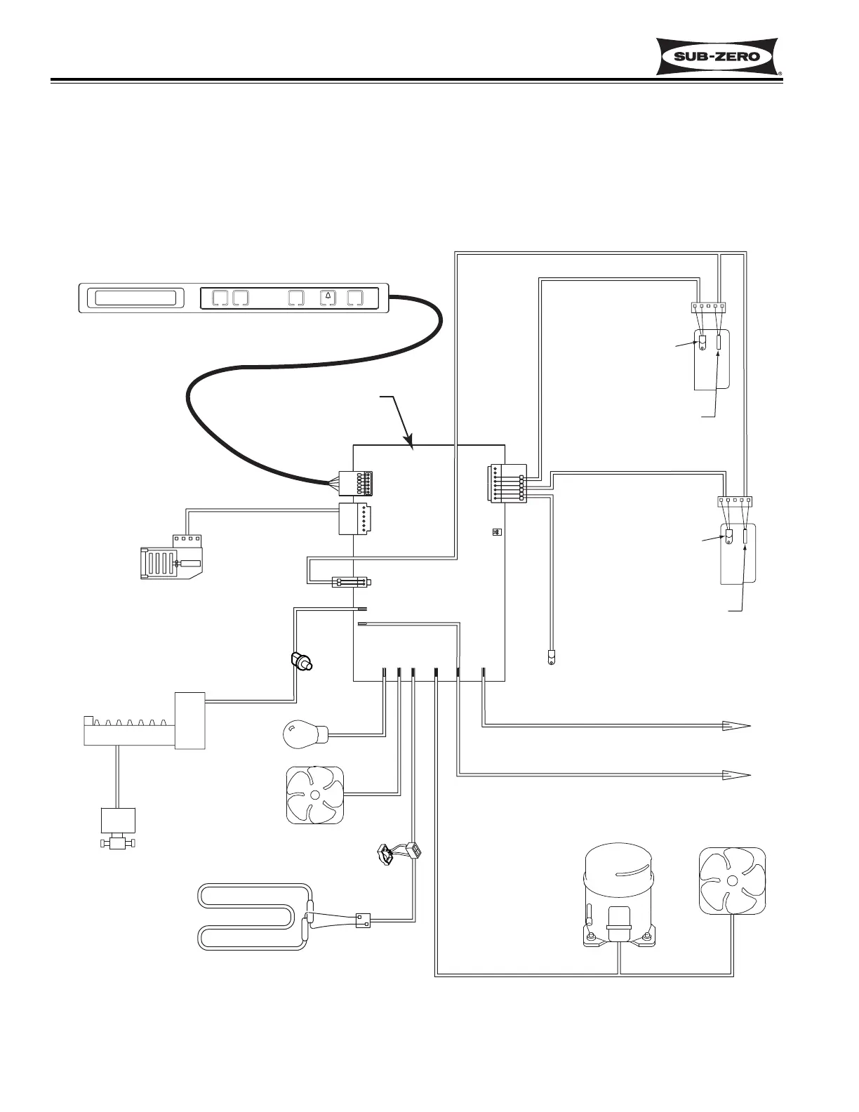
Figure 3-67. Basic 700-2 Base Unit Electronic Control System Diagram
BASIC 700- 2 BASE UNIT ELECTRONIC CONTROL SYSTEM
Input operations for the electronic control system are performed at the control panel (located inside the upper draw-
er), with monitoring, regulating and controlling functions taking place at the control board (located in the sump area).
Temperatures and possible problems with the unit are displayed in the control panel on the LCD. This page illus-
trates a basic 700-2 base unit electronic control system. (See Figure 3-67) The entire electronic control system is
described in greater detail on the following pages.
FREEZER
ON/OFF
ICE
ON/OFF
UNIT
COLDER
WARMER
ON/OFF
LCD
COMPRESSOR
EVAP FAN
DEFROST TERMINATOR
(BF/I-2 Only)
COND FAN
ICEMAKER
(BF/I-2 Only)
WATER
SOLENOID
(BF/I-2 Only)
LIGHTS
ICEMAKER SWITCH
(BF/I-2 Only)
DEFROST HEATER (BF/I-2 Only)
BAFFLE CONTROL
(BR-2 Only)
EVAP THERMISTOR
L1
115 VOLTS
60 CYCLES
NEUT
LOWER
COMPARTMENT
THERMISTOR
(BR-2 Only)
DRAWER SWITCH
(LOWER)
UPPER
COMPARTMENT
THERMISTOR
DRAWER SWITCH
(UPPER)
CONTROL PANEL ASSEMBLY
CONTROL BOARD

Related product manuals