EasyManua.ls Logo

Subaru 2001 Outback - Engine Compartment Overview; L Non-Turbo Models; Fuse Box (Page

Subaru 2001 Outback
448 pages
Print Icon
To Next Page IconTo Next Page
To Next Page IconTo Next Page
To Previous Page IconTo Previous Page
To Previous Page IconTo Previous Page
Loading...
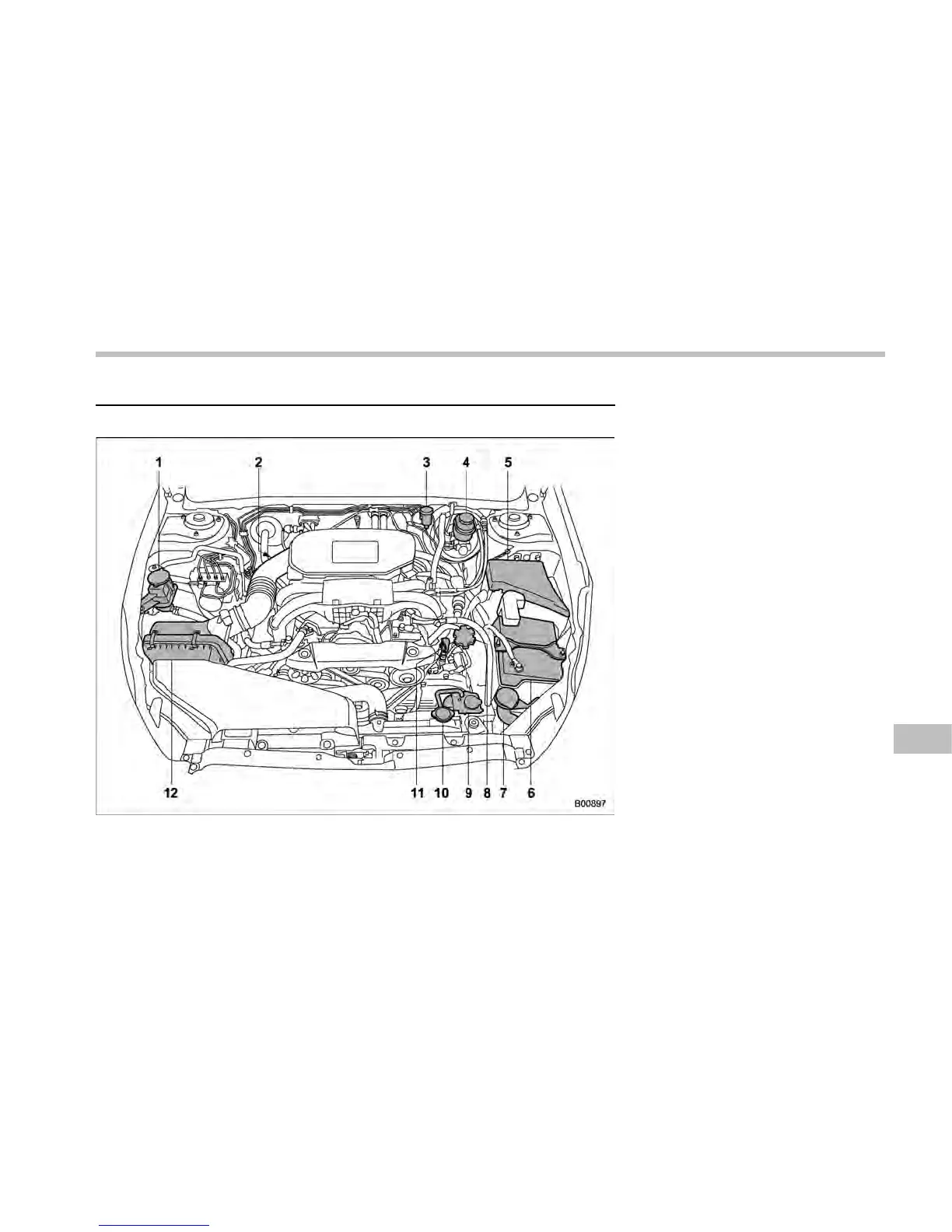
Engine compartment overview
& 2.5 L non-turbo models
1) Power steering fluid reservoir
(page 11-29)
2) Manual transmission oil level gauge (MT)
(page 11-23)
3) Clutch fluid reservoir (page 11-31)
4) Brake fluid reservoir (page 11-30)
5) Fuse box (page 11-48)
6) Battery (page 11-47)
7) Windshield washer tank (page 11-42)
8) Engine oil filler cap (page 11-12)
9) Engine coolant reservoir (page 11-18)
10) Radiator cap (page 11-18)
11) Engine oil level gauge (page 11-12)
12) Air cleaner case (page 11-20)
Maintenance and service
11-9
CONTINUED

Table of Contents

Related product manuals