EasyManua.ls Logo

Subaru 2001 Outback - Page 74

Subaru 2001 Outback
448 pages
Print Icon
To Next Page IconTo Next Page
To Next Page IconTo Next Page
To Previous Page IconTo Previous Page
To Previous Page IconTo Previous Page
Loading...
1-52 Seat, seatbelt and SRS airbags
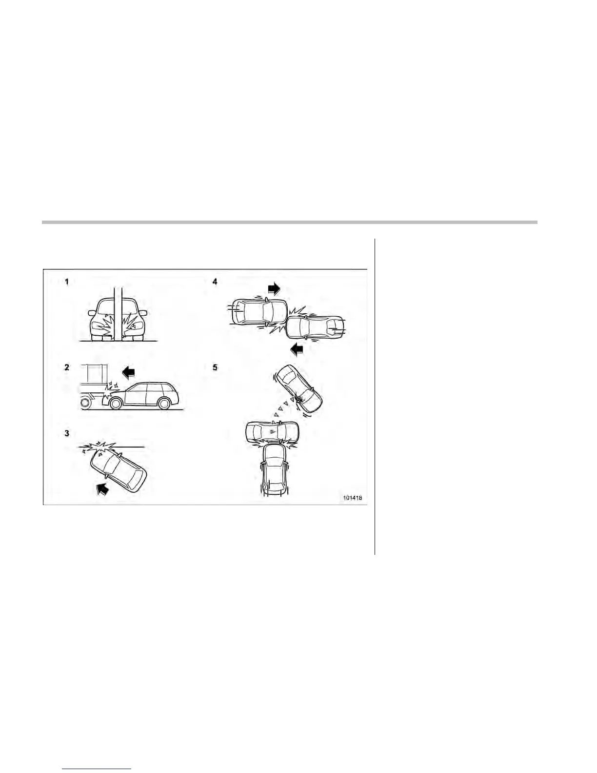
! Examples of the types of accidents in which deployment of the drivers/drivers
and front passengers SRS frontal airbag(s) is unlikely to occur.
1) The vehicle strikes an object, such as a
telephone pole or sign pole.
2) The vehicle slides under the load bed of
a truck.
3) The vehicle sustains an oblique offset
frontal impact.
4) The vehicle sustains an offset frontal
collision.
5) The vehicle strikes an object that can
move or deform, such as a parked
vehicle.
There are many types of collisions which
might not necessarily require deployment
of drivers/driver s and front passengers
SRS frontal airbag(s). In the event of
accidents like those illustrated, the dri-
vers/drivers and front passengers SRS
frontal airbag(s) may not deploy depend-
ing on the level of accident forces in-
volved.

Table of Contents

Related product manuals