EasyManua.ls Logo

Sullair 1107e - Wiring Diagrams, MFV

Sullair 1107e
102 pages
Print Icon
To Next Page IconTo Next Page
To Next Page IconTo Next Page
To Previous Page IconTo Previous Page
To Previous Page IconTo Previous Page
Loading...
3.7
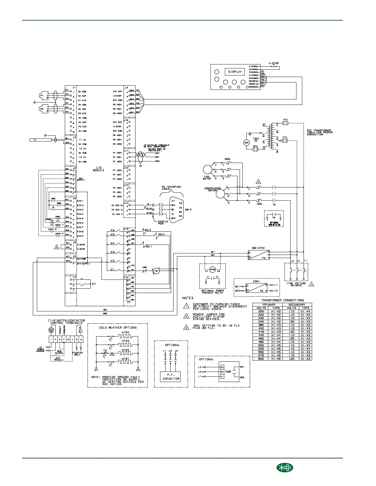
WIRING DIAGRAMS
Wiring Diagram, MFV
02250156_577R04-1
SECTION 3
24
1100e, 1500e, 1800e Operator’s Manual and Parts List
®SULLAIR®

Table of Contents

Other manuals for Sullair 1107e

Related product manuals