EasyManua.ls Logo

Summer Fun 108023 - Schaltplan für die Elektrische Verdrahtung (Optional)

Summer Fun 108023
Print Icon
To Next Page IconTo Next Page
To Next Page IconTo Next Page
To Previous Page IconTo Previous Page
To Previous Page IconTo Previous Page
Loading...
17
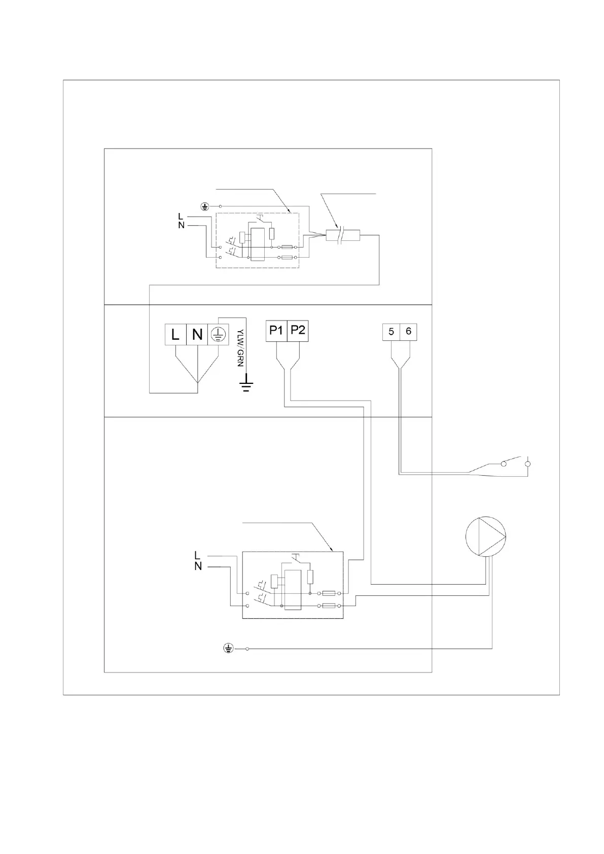
I. Schaltplan für die elektrische Verdrahtung (optional)
Stromversorgung
230V~/50Hz
Pumpe
Kunden Fernbedienung
Schalterstecker
Pumpe
Stromversorgung
230V~/50Hz
Netzkabel
Unterbrecher / Sicherung
(Bauseits vom Kunden)
Erdung
Unterbrecher / Sicherung
(Bauseits vom Kunden)
Erdung
Wasserpumpe: 230 V Spannung, ≤ 500 W Leistung

Table of Contents

Related product manuals