EasyManua.ls Logo

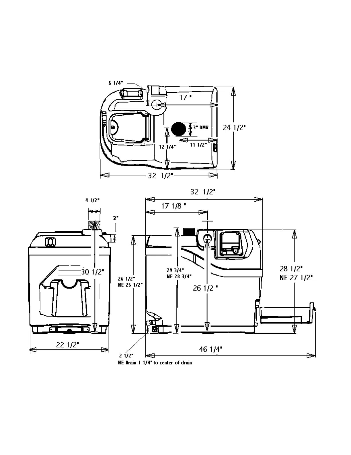
Sun-Mar CENTREX 1000 - Installation; Centrex 1000 Rough In Dimensions

Sun-Mar CENTREX 1000
23 pages
Print Icon
To Next Page IconTo Next Page
To Next Page IconTo Next Page
To Previous Page IconTo Previous Page
To Previous Page IconTo Previous Page
Loading...
Installation
CENTREX 1000 ROUGH IN DIMENSIONS
- 5 –

Related product manuals