EasyManua.ls Logo

SUNWARD SWE60B - Hydraulic Diagram

SUNWARD SWE60B
196 pages
Print Icon
To Next Page IconTo Next Page
To Next Page IconTo Next Page
To Previous Page IconTo Previous Page
To Previous Page IconTo Previous Page
Loading...
178
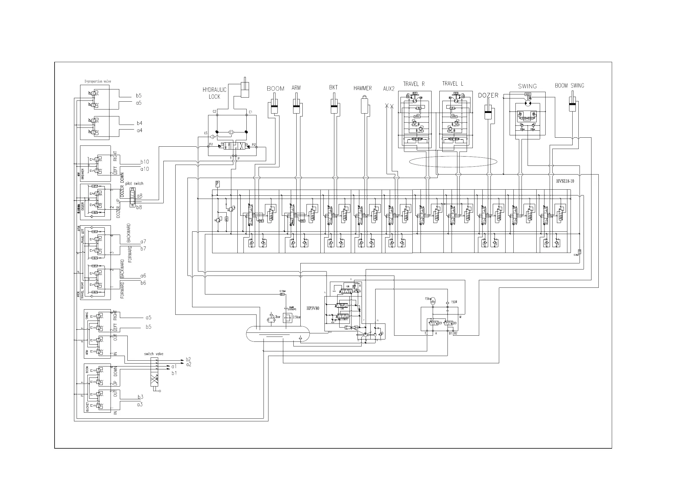
6.9.6 Hydraulic Diagram
pb1
A1
B1
pa1
(Pp) Mp
LS1
T1
Ts
pa2
pb2
B2
A2
pa3
pb3
A3
B3
pa4
pb4
A4
B4
pa5
pb5
A5
B5
pa6 pa7
pb6
A6
B6
pb7
A7
B7
pa8
pb8
A8
B8
pa9
pb9
A9
B9
pa10
pb10
A10 B10
(LS2)
(P2)
T2
32MPa
32MPa
28MPa
32MPa
32MPa
32MPa
32MPa
20MPa
20MPa
20MPa
20MPa
32MPa
32MPa
32MPa
32MPa
max min
ps
pa
pb
a2
a1
Tb
maxmin
ps
pa
pb
a2
a1
Tb
Ta
Ta
A B
MU
DR
V
Pp

Table of Contents

Related product manuals