EasyManua.ls Logo

SV2000 WV205 - Block Diagrams

Default Icon
39 pages
Print Icon
To Next Page IconTo Next Page
To Next Page IconTo Next Page
To Previous Page IconTo Previous Page
To Previous Page IconTo Previous Page
Loading...
1-8-1
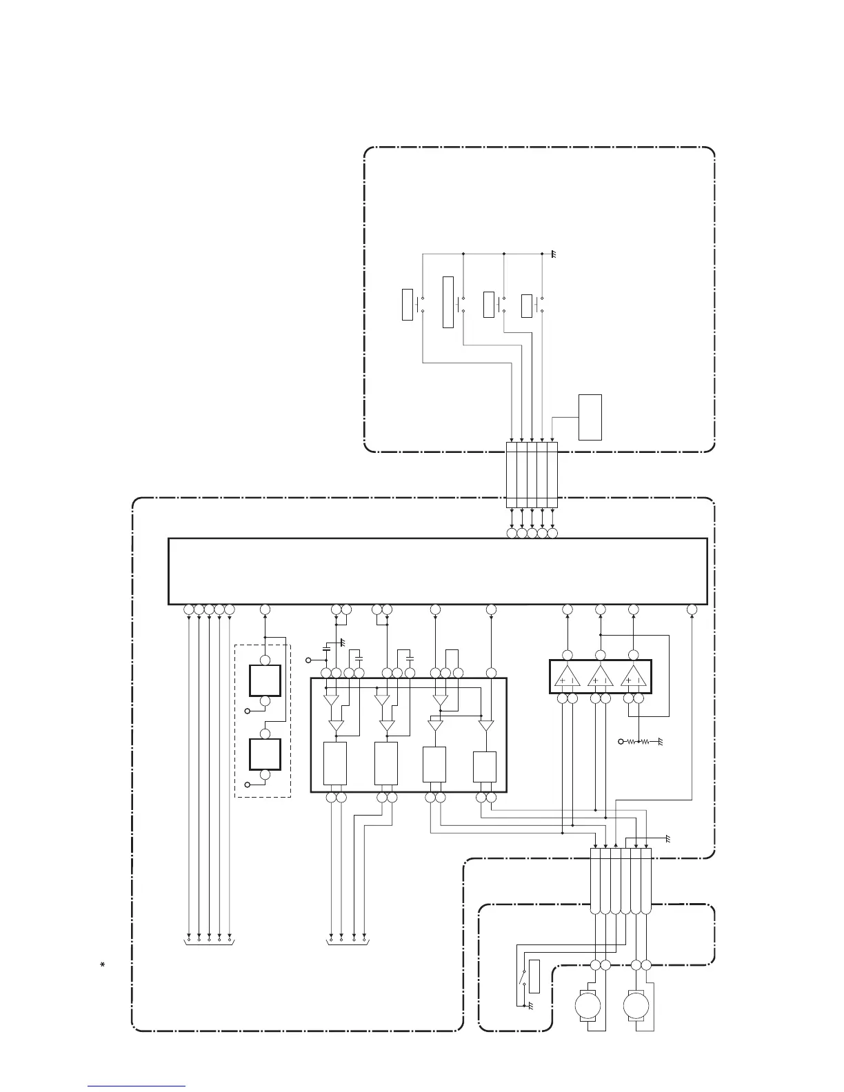
BLOCK DIAGRAMS
System Control / Servo Block Diagram
E6164BLS
IC301
(SERVO DRIVE)
CN301
M
SLED
MOTOR
M
SPINDLE
MOTOR
IC101
(MICRO CONTROLLER)
+
-
+
-
+
-
+
-
+
-
+
-
+
-
SLED
MOTOR
DRIVE
FOCUS
ACTUATOR
DRIVE
SPINDLE
MOTOR
DRIVE
TRACKING
ACTUATOR
DRIVE
147
TRAY-IN
SLD75
SPDL
76
TRACKING
DRIVE
148
FOCUS DRIVE
66
FS(+)
FS(-)
TS(+)
TS(-)
57
ADAC-MD
56 ADAC-MC
86 ADAC-ML
ADAC-MC
ADAC-ML
PCM-SCLK
88
AUDIO-MUTE
ADAC-MD
AUDIO-MUTE
163
PCM-SCLK
TRAY-IN
3SP(+)
4SP(-)
5TRAY-IN
6GND
7SL(-)
8SL(+)
VREF
RESET73
RESET
IC462
1 3
+3.3V
IC202
(OP AMP)
15
16
14
13
12
11
17
18
23
6
4
5
3
1
2
25
24
27
26
81 SL-AMP
143
SP-ROT
+3.3V
146
FD-OFST
139
TD-OFST
RESET
IC461
2 1
+3.3V
TO DIGITAL SIGNAL
PROCESS BLOCK
DIAGRAM
TO
VIDEO/ AUDIO
BLOCK DIAGRAM
DRIVE CBA
DVD MAIN CBA UNIT
1
2
6
7
5
3
13
14
12
CN1001
REMOTE
SENSOR
RM2001
AV CBA
59POWER
60OPEN/CLOSE
82
STOP
67
REMOTE
61
PLAY
CN401
OPEN/CLOSE
SW2002
POWER
SW2003
STOP
SW2004
PLAY
SW2001
23 REMOTE
22
22 PLAY
21
21 STOP
20
20
OPEN/CLOSE
19
19 POWER
18
140
SL-ADS
*1
1 NOTE:
Either IC461 or IC462 is used for DVD MAIN CBA UNIT.

Related product manuals