EasyManua.ls Logo

SV2000 WV205 - Page 19

Default Icon
39 pages
Print Icon
To Next Page IconTo Next Page
To Next Page IconTo Next Page
To Previous Page IconTo Previous Page
To Previous Page IconTo Previous Page
Loading...
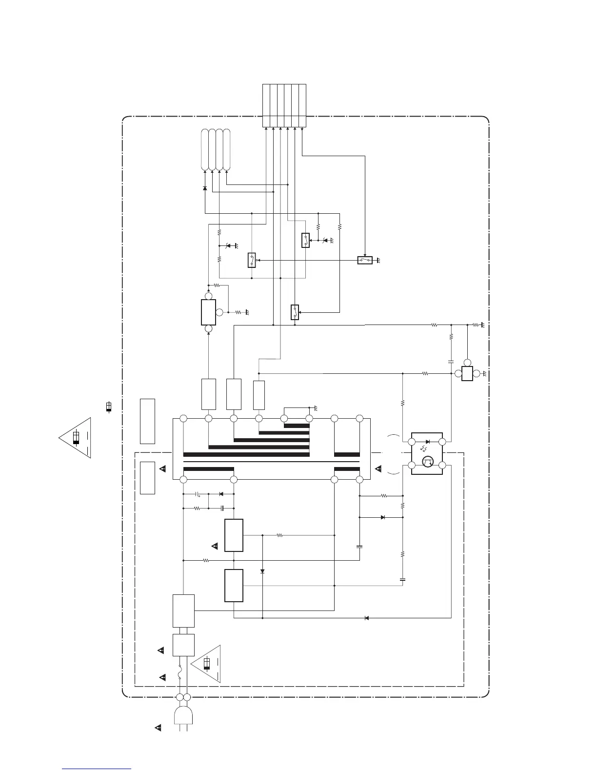
1-8-4
E6164BLP
Power Supply Block Diagram
3
IC1006
(SHUNT REGULATOR)
REG
AC1001
AC CORD
F1001
1A 250V
LINE
FILTER
L1001
D1001, D1002
D1004, D1005
Q1003 Q1031
2
4
7
3
4
IC1001
ERROR
VOLTAGE DET
T1001
11
12
13
15
14
16
17
18
SWITCHING
SWITCHING
CONTROL
1
2
6
BRIDGE
RECTIFIER
HOT
A V
F
HOT CIRCUIT. BE CAREFUL.
D1030
RECTIFIER
Q1016
Q1011
Q1002 CN1001
Q1004
EV+5V
P-ON+9V
EV+3.3V
P-ON+5V
1,2
EV+1.2V
3,4,5
EV+3.3V
8,9
EV+10V
7
P-ON+5V
6
P-ON+3.3V
17
PWRCON
+1.2V
REG.
IC1002
D1006
SCHOTTKY
BARRIER
SCHOTTKY
BARRIER
D1008
AV CBA
TO CN401
3
1
2
3
1
2
COLD
CAUTION !
Fixed voltage (or Auto voltage selectable) power supply circuit is used in this unit.
If Main Fuse (F1001) is blown , check to see that all components in the power supply
circuit are not defective before you connect the AC plug to the AC power supply.
Otherwise it may cause some components in the power supply circuit to fail.
NOTE:
The voltage for parts in hot circuit is measured using
hot GND as a common terminal.
"Ce symbole reprèsente un fusible à fusion rapide."
CAUTION !
For continued protection against fire hazard,
replace only with the same type fuse.
ATTENTION : Pour une protection continue les risqes
d'Incele n'utiliser que des fusible de même type.
Risk of fire-replace fuse as marked.
"This symbol means fast operating fuse."
A V
F

Related product manuals