EasyManua.ls Logo

SVS SB-1000 Pro - Page 9

SVS SB-1000 Pro
20 pages
Print Icon
To Next Page IconTo Next Page
To Next Page IconTo Next Page
To Previous Page IconTo Previous Page
To Previous Page IconTo Previous Page
Loading...
SB-1000 Pro
SUBWOOFER
CONNECTING & CONTROLLING YOUR SUBWOOFER
Connecting Multiple Subwoofers or “Going Dual” (cont’d)
In a 2-channel system you can set up Stereo Subwoofers, where one is used for the Left
Channel and one for the Right Channel. Typically, the subwoofers will be symmetrically
placed according to your speakers. And be sure to maintain all the correct Left and
Right output and input connections to ensure optimum performance.
LINE LEVEL OUTPUTS
REAR FRONT
R
L
RECEIVER/PREAMP
LINE LEVEL INPUTS
SPEAKER LEVEL
OUTPUTS
R
L
TO
SPEAKERS
POWER AMPLIFIER
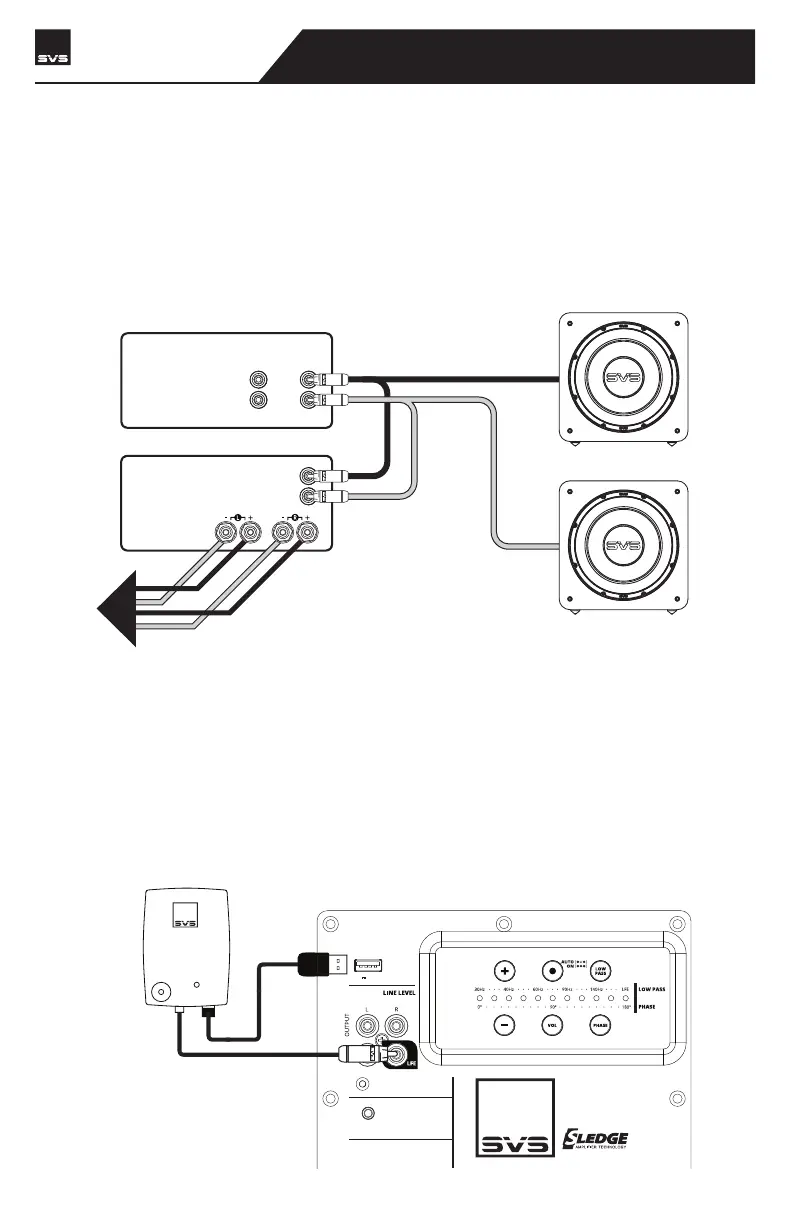
Going Wireless
If you want to add wireless connectivity via the SVS SoundPath Wireless Adapter (sold separately),
your SB-1000 Pro conveniently includes a USB input on the amplier plate to easily power the
Receiver. Set-up is simple and quick and separate instructions are included with the adapter.
NOTE: The SB-1000 Pro amplier should be turned o when making all connections.
3V-12V | AC/DC
TRIGGER INPUT
SVS SOUNDPATH WIRELESS
AUDIO ADAPTER
STA-325D
5V 150mA

Other manuals for SVS SB-1000 Pro

Related product manuals