EasyManua.ls Logo

SycoTec e@syDrive 4638 - Analog Inputs; 7 External Ballast Resistor

SycoTec e@syDrive 4638
14 pages
Print Icon
To Next Page IconTo Next Page
To Next Page IconTo Next Page
To Previous Page IconTo Previous Page
To Previous Page IconTo Previous Page
Loading...
EN
8
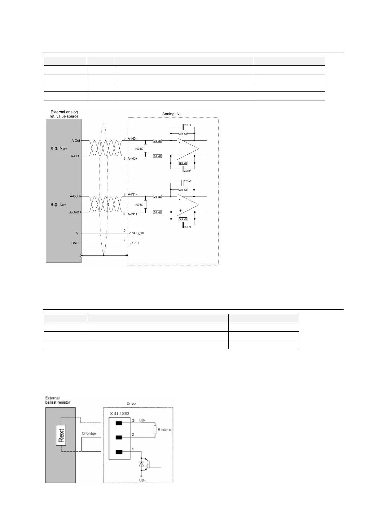
6.3 Analog Inputs
Name
I/O
Function/Assignment
Pin
AIN0+
I
Speed reference value
X18/3
GND
I/O
Ground
X18/4
AIN0-
I
Reference point for AIN0+ (bridge with ground)
X18/7
VCC_10
O
10 V supply voltage
X18/9
Voltage interface with input voltage range: ± 10 V
Can also be connected to potentiometer (500 Ohm 5 kOhm
7.0 External Ballast Resistor
Function / Assignment
Pin
External ballast resistor
X41/1
Internal ballast resistor
X41/2
X41/3
If no external ballast resistor is used, pin 1 and pin 2 of connector X41 must be bridged.
The technical data of the optionally connected external ballast resistor must be entered via the
"drivemaster2" software.
By default no external ballast resistor is set.