EasyManua.ls Logo

Symetrix 425 - Page 45

Default Icon
59 pages
Print Icon
To Next Page IconTo Next Page
To Next Page IconTo Next Page
To Previous Page IconTo Previous Page
To Previous Page IconTo Previous Page
Loading...
COMPANY:
TITLE:
DRAWING NO:
REV:
DATED:
DATED:
DRAWN:
RELEASED:
REVISIONS DONE OR ECO NUMBER:
LTR
SYMETRIX INC.
4211 24th Ave W
SEATTLE, WA 98199
SHEET:
REVISION RECORD
DATED:
RELEASED:
DATE:
DATED:
TITLE:
COMPANY:
DRAWING NO:
REV:
DRAWN:
OF
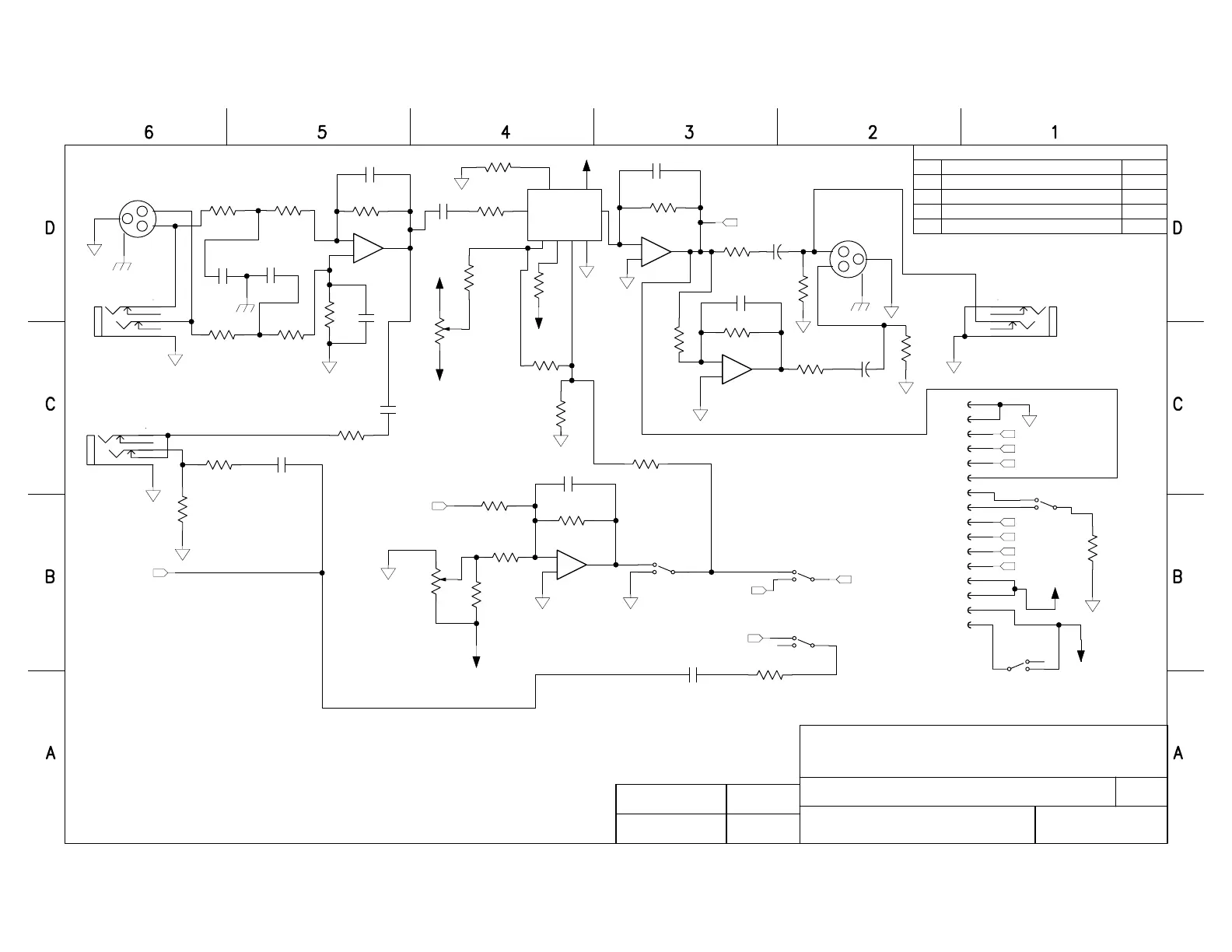
425 DUAL COMP/LIMITER/EXPANDER
CHANNEL 1 INPUT
CHANNEL 1 OUTPUT
CHANNEL 1
OUTPUT LEVEL
CHANNEL 1
(SHOWN IN)
LINK
STEREO LINK)
022001-SCH
E2
1
7
SIDECHAIN
SEND/RETURN
BALANCED/
UNBALANCED
BALANCED
UNBALANCED
OUTPUT
IN/OUT
LINK
LINK
(SHOWN IN STEREO LINK)
(SHOWN IN STEREO LINK)
MASTER
LINK
(SHOWN IN STEREO LINK)
DISTORTION TRIM
CHANNEL 1
BALANCED
OUTPUT
D RESISTOR VALUE CHANGES AS PER ECO 169 2/13/92
(FRONT PANEL)
E RESISTORS AND CAPS AS PER ECO 170 3/9/92
E1
7/21/92
RESISTORS AND CAPS AS PER ECO 425-002
(SHOWN IN
E2
R158, R162, R163, R164 CHANGED
PER ECO 425-003
2/16/93
R1
15K0
R2
13K0
R3
13K0
R4
15K0
R5
2K00
R6
2K00
C1
100pF
C2
100pF
C3
470pF
C4
470pF
R7
13K0
2150A
IN
OUT
VCC
EC1
M
Y
S
E
E
V
2
C
E
D
N
G
18
37
6254
U2
R9
61.9
R10
51
R11
61.9
R12
510K
R13
5K1
XLR-MALE
1
2
3
4
J4
J3
XLR-FEMALE
1
2
3
4
J1
C5
4.7NP
R15
6K98
3
+
2
-
1
U1A
RC4560
5
+
6
-
7
U1B
RC4560
3
1
2
R16
100K
C8
4.7NP
C7
4.7NP
R23
100 OHM
R8
13K0
C6
82pF
R67
150 OHM
+
C27
100/35
5
+
6
-
7
U11B
RC4560
R68
13K0
C28
82pF
R69
150 OHM
+
C29
100/35
R70
13K0
5
+
6
-
7
U7B
RC4560
R58
357K0
R59
49K9
C26
.001uF
R60
100K0
R61
300K
3
1
2
R76
50KB
8
9
7
SW5C
5
4
6
SW5B
R77
6K98
C32
4.7NP
R104
100K
R155
100K
R156
100K
R157
1K00
2
1
3
SW4A
1
J12A
2
J12B
3
J12C
4
J12D
5
J12E
6
J12F
7
J12G
8
J12H
9
J12I
10
J12J
11
J12K
12
J12L
13
J12M
14
J12N
15
J12O
16
J12P
2
1
3
SW5A
R165
2K2
J2
J13
11
12
10
SW5D
-15VA
+15VA
+15VA
-15VA
-15VA
+15VA
-15VA
CH1_CTRL
CV_IN_CH2
S/C_IN_CH1
CH2INOUT.2
O/PLEDS_CH1
S/C_JACK_CH2
EXPLEDS_CH1
COMPLEDS_CH1
LIMLEDS_CH1
EXPLEDS_CH2
COMPLEDS_CH2
LIMLEDS_CH2
O/PLEDS_CH2

Other manuals for Symetrix 425