EasyManua.ls Logo

Symetrix 425 - Page 46

Default Icon
59 pages
Print Icon
To Next Page IconTo Next Page
To Next Page IconTo Next Page
To Previous Page IconTo Previous Page
To Previous Page IconTo Previous Page
Loading...
OF
COMPANY:
SYMETRIX INC.
4211 24th Ave W
SEATTLE, WA 98199
TITLE:
DRAWING NO:
REV:
SHEET:
DATED:
DATED:
DRAWN:
RELEASED:
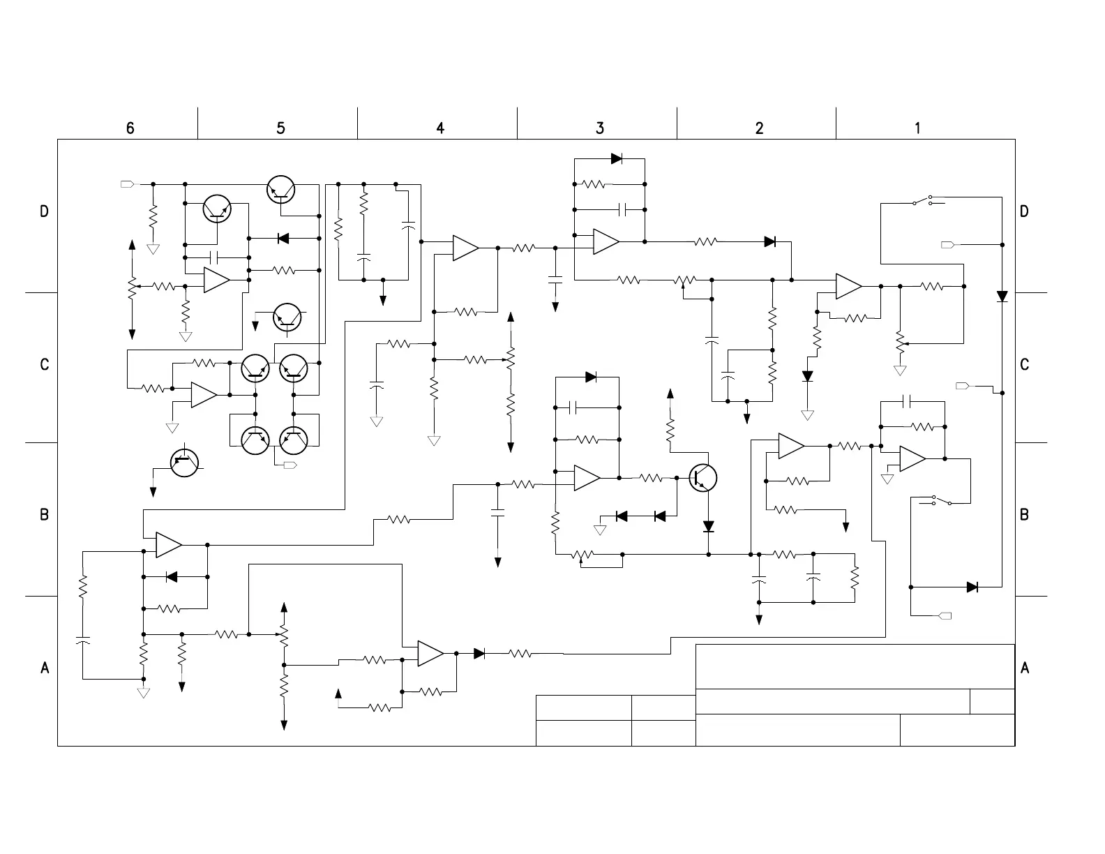
CH1 EXPANDER SIDE CHAIN
EXPANDER
THRESHOLD
(FRONT PANEL)
COMPRESSOR
THRESHOLD
CH1 COMPRESSOR
425 DUAL COMP/LIMITER/EXPANDER
022001-SCH
E2
2
(BYPASS)
7
CHANNEL 1
RELEASE
RELEASE
RATIO
SIDECHAIN
IN/OUT
CHANNEL 1
LOG CONVERTER
TRIM
(FRONT PANEL)
(FRONT PANEL)
(FRONT PANEL)
(FRONT PANEL)
CHANNEL 1
IN/OUT
(SHOWN IN)
(SHOWN IN)
7
6
8
U5B
MC3346P
3
2
15
4
U5A
MC3346P
3
+
2
-
1
U6A
RC4560
R24
10K0
R25
2K2
5
+
6
-
7
U6B
RC4560
R26
10K0
C10
22pF
R27
100 OHM
R28
82K
CW
3
1
2
R29
100K
10
9
11
U5C
MC3346P
D2
1N4148
R30
200K0
13
12
14
U5D
MC3346P
R14
1M
R17
2K7
+
C9
10/35
+
C11
3.3/25t
3
+
2
-
1
U3A
RC4560
D1
1N4148
R18
200K0
R19
6K98
R20
560K
R21
1M5
CW
3
1
2
R22
50KB
3
+
2
-
1
U21A
RC4560
R42
30K1
R43
1K00
R44
158K0
CW
3
1
2
R46
50KB
5
+
6
-
7
U21B
RC4560
+
C15
4.7/50
+
C16
10/35
R51
2K2
R52
10M
R53
10K0
R54
10K0
D13
1N4148
CW
3
1
2
R55
50KB
D14
1N4148
R31
75K
5
+
6
-
7
U3B
RC4560
R32
4K7
R33
10M
R34
2M0
D3
1N4148
R35
10K0
3
+
2
-
1
U4A
RC4560
R36
20K
R37
2K7
C12
.22uF
R38
1M
C13
22pF
D4
1N4148
R39
1K00
Q5
2N4401
D5
1N4148
D6
1N4148
R40
10K0
CW
3
1
2
R41
500KA
D7
1N4148
+
C14
3.3/25t
+
C57
4.7/50
R166
2K2
R167
10M
5
+
6
-
7
U4B
RC4560
3
+
2
-
1
U12A
RC4560
R168
10K0
R169
10K0
C58
22pF
5
4
6
SW4B
R170
100 OHM
D15
1N4148
8
9
7
SW4C
R171
10K0
R172
150K0
CW
3
1
2
R106
500KA
R56
30K
R45
2K00
R47
13K0
+
C45
4.7/50
3
+
2
-
1
U11A
RC4560
R48
1M
C46
22pF
D9
1N4148
R50
200 OHM
D10
1N4148
R113
2K2
C50
.22uF
R115
3K3
+
C52
33/35
R49
6K2
3
2
15
4
U28A
MC3346P
13
12
14
U28D
MC3346P
+15VA
-15VA
-15VA
-15VA
+15VA
+15VA
-15VA
-15VA
-15VA
+15VA
+15VA
-15VA
-15VA
-15VA
-15VA
-15VA
-15VA
S/C_IN_CH1
CH1_CTRL
EXPLEDS_CH1
COMPLEDS_CH1
PEAK_DET_CH1

Other manuals for Symetrix 425