EasyManua.ls Logo

Symetrix 425 - Page 52

Default Icon
59 pages
Print Icon
To Next Page IconTo Next Page
To Next Page IconTo Next Page
To Previous Page IconTo Previous Page
To Previous Page IconTo Previous Page
Loading...
OF
REVISIONS DONE OR ECO NUMBER:
DRAWN:
REV:
DRAWING NO:
COMPANY:
TITLE:
DATED:
LTR DATE:
RELEASED:
DATED:
REVISION RECORD
SHEET:
SEATTLE, WA 98199
4211 24th Ave W
SYMETRIX INC.
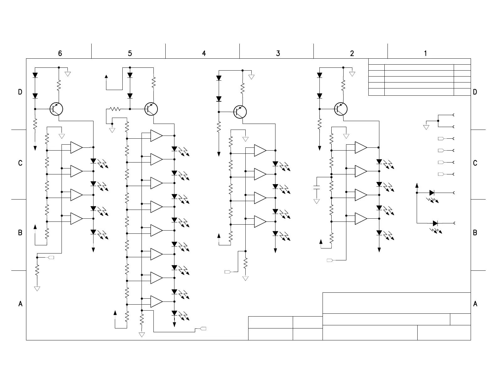
CH1 EXPANDER LEDS
CH1 COMPRESSOR LEDS
CH1 OUTPUT LEDS
CH1 LIMITER LEDS
-2dB
-6dB
-12dB
-18dB
-2dB
-4dB
-6dB
-8dB
-10dB
-12dB
-25dB
-3dB
-6dB
-9dB
-12dB
-20
-10
0VU
CLIP
-15dB
STEREO
DUAL
FROM MOTHERBOARD
3
425 LED DAUGHTERBOARD
E1
022002-SCH
1
B
VALUE CHANGES IN OUTPUT LED STRING 12/19/91
C C4 & C5 ADDED AS PER ECO 169 2/13/92
CHANGES AS PER ECO 425-001 7/9/92D
(RED)
(GREEN)
(RED)
(RED)
(GREEN)
(GREEN)
(RED)
(RED)
(RED)
(RED)
(RED)
(RED)
(RED)
(RED)
(RED)
(RED)
(RED)
(RED)
(RED)
(RED)
(RED)
(RED)
E
ECO 425-8 SWAPPING LED REF DES.
D40-D43 & D60-D63
8/24/93
B.G.
9
+
8
-
14
U1D
LM339
11
+
10
-
13
U1C
LM339
5
+
4
-
2
U1B
LM339
7
+
6
-
1
U1A
LM339
R1
2K67
R2
3K01
R3
4K22
R4
4K22
R5
35K7
R6
1M
Q1
2N4403
R7
120 OHM
R8
10K
D1
1N4148
D2
1N4148
9
+
8
-
14
U2D
LM339
11
+
10
-
13
U2C
LM339
5
+
4
-
2
U2B
LM339
7
+
6
-
1
U2A
LM339
R9
10K5
R10
6K49
R11
5K76
R12
5K62
R13
5K62
9
+
8
-
14
U3D
LM339
5
+
4
-
2
U3B
LM339
7
+
6
-
1
U3A
LM339
R14
5K62
R15
8K45
R16
28K0
R17
124K
R18
1M
Q2
2N4403
D3
1N4148
D4
1N4148
R19
120 OHM
R20
10K
9
+
8
-
14
U4D
LM339
11
+
10
-
13
U4C
LM339
5
+
4
-
2
U4B
LM339
7
+
6
-
1
U4A
LM339
R21
8K45
R22
5K90
R23
5K49
R24
5K76
R25
100K0
Q3
2N4403
R26
120 OHM
R27
10K
D5
1N4148
D6
1N4148
9
+
8
-
14
U5D
LM339
11
+
10
-
13
U5C
LM339
5
+
4
-
2
U5B
LM339
7
+
6
-
1
U5A
LM339
R28
549 OHM
R29
1K21
R30
3K83
R31
12K1
R32
30K1
Q4
2N4403
R34
120 OHM
R35
10K
D7
1N4148
D8
1N4148
R36
1M
1
J5A
2
J5B
3
J5C
4
J5D
5
J5E
6
J5F
7
J5G
8
J5H
11
+
10
-
13
U3C
LM339
C4
.01uF
D24
D25
D26
D27
D28
D29
D30
D31
D32
D33
D34
D35
D36
D37
D38
D39
D43
D42
D41
D40
D64
D65
+15VA
+15VA
+15VA
+15VA
-15VA
-15VA
-15VA
-15VA
-15VA
-15VA
-15VA
+15VA
EXPLEDS_CH1
EXPLEDS_CH1
COMPLEDS_CH1
LIMLEDS_CH1
O/PLEDS_CH1
LIMLEDS_CH1
DETECT_CH1
COMPLEDS_CH1
+15VA

Other manuals for Symetrix 425