EasyManua.ls Logo

Symetrix 425 - Page 53

Default Icon
59 pages
Print Icon
To Next Page IconTo Next Page
To Next Page IconTo Next Page
To Previous Page IconTo Previous Page
To Previous Page IconTo Previous Page
Loading...
COMPANY:
SYMETRIX INC.
4211 24th Ave W
SEATTLE, WA 98199
TITLE:
DRAWING NO:
REV:
SHEET:
OF
DATED:
DATED:
DRAWN:
RELEASED:
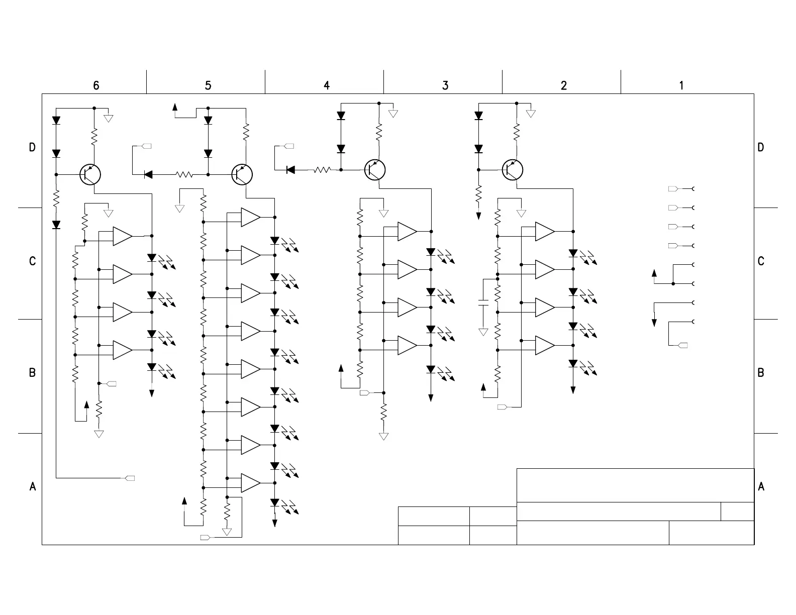
CH2 EXPANDER LEDS
CH2 COMPRESSOR LEDS
-2dB
-6dB
-12dB
-18dB
-2dB
-4dB
-6dB
-8dB
-10dB
-12dB
-15dB
-25dB
CH2 OUTPUT LEDS
CH2 LIMITER LEDS
-3dB
-6dB
-9dB
-12dB
-20
-10
0VU
CLIP
425 LED DAUGHTERBOARD
23
E1
022002-SCH
(RED)
(GREEN)
(GREEN)
(GREEN)
(RED)
(RED)
(RED)
(RED)
(RED)
(RED)
(RED)
(RED)
(RED)
(RED)
(RED)
(RED)
(RED)
(RED)
(RED)
(RED)
9
+
8
-
14
U6D
LM339
11
+
10
-
13
U6C
LM339
5
+
4
-
2
U6B
LM339
7
+
6
-
1
U6A
LM339
R37
2K67
R38
3K01
R39
4K22
R40
4K22
R41
35K7
R42
1M
Q5
2N4403
R43
120 OHM
R44
10K
D9
1N4148
D10
1N4148
9
+
8
-
14
U7D
LM339
11
+
10
-
13
U7C
LM339
5
+
4
-
2
U7B
LM339
7
+
6
-
1
U7A
LM339
R45
10K5
R46
6K49
R47
5K76
R48
5K62
R49
5K62
9
+
8
-
14
U8D
LM339
11
+
10
-
13
U8C
LM339
5
+
4
-
2
U8B
LM339
7
+
6
-
1
U8A
LM339
R50
5K62
R51
8K45
R52
28K0
R53
124K
R54
1M
Q6
2N4403
D11
1N4148
D12
1N4148
R55
120 OHM
R56
20K0
9
+
8
-
14
U9D
LM339
11
+
10
-
13
U9C
LM339
5
+
4
-
2
U9B
LM339
7
+
6
-
1
U9A
LM339
R57
8K45
R58
5K90
R59
5K49
R60
5K76
R61
100K0
Q7
2N4403
R62
120 OHM
R63
10K
D13
1N4148
D14
1N4148
9
+
8
-
14
U10D
LM339
11
+
10
-
13
U10C
LM339
5
+
4
-
2
U10B
LM339
7
+
6
-
1
U10A
LM339
R64
549 OHM
R65
1K21
R66
3K83
R67
12K1
R68
30K1
Q8
2N4403
R70
120 OHM
R71
10K
D15
1N4148
D16
1N4148
R72
1M
9
J5I
10
J5J
11
J5K
12
J5L
13
J5M
14
J5N
15
J5O
16
J5P
D21
1N4148
D22
1N4148
D23
1N4148
C5
.01uF
D44
D45
D46
D47
D48
D49
D50
D51
D52
D53
D54
D55
D56
D57
D58
D59
D63
D62
D61
D60
+15VA
+15VA
+15VA
+15VA
+15VA
+15VA
-15VA
-15VA
-15VA
-15VA
-15VA
-15VA
EXPLEDS_CH2
LIMLEDS_CH2
O/PLEDS_CH2
LIMLEDS_CH2
DETECT_CH2
COMPLEDS_CH2
EXPLEDS_CH2
LEDBUSS
LEDBUSS
LEDBUSS
LEDBUSS
COMPLEDS_CH2

Other manuals for Symetrix 425