EasyManua.ls Logo

Symphonic 6319CD/EWC1903 - Page 23

Symphonic 6319CD/EWC1903
93 pages
Print Icon
To Next Page IconTo Next Page
To Next Page IconTo Next Page
To Previous Page IconTo Previous Page
To Previous Page IconTo Previous Page
Loading...
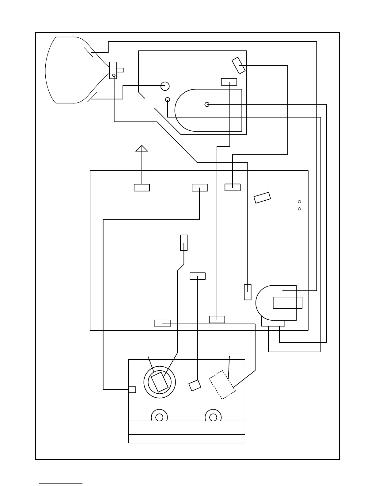
1-6-5 T7400DC
Fig. 5
CL502A
CL501A
SCREEN
CN505
CN801
CN601
CN571
FOCUS
CRT CBA
AC CORD
CL403
FE HEAD
CYLINDER
ASSEMBLY
AC HEAD
ASSEMBLY
CAPSTAN
MOTOR
DECK UNIT
MAIN CBA
CL401
CL502B
CL201
CL402
CL501B
CRT
ANODE
GND
TO SPEAKER
TO DEGAUSS
COIL

Related product manuals