EasyManua.ls Logo

Symphonic 6319CD/EWC1903 - Power Supply Trouble Shooting Guide

Symphonic 6319CD/EWC1903
93 pages
Print Icon
To Next Page IconTo Next Page
To Next Page IconTo Next Page
To Previous Page IconTo Previous Page
To Previous Page IconTo Previous Page
Loading...
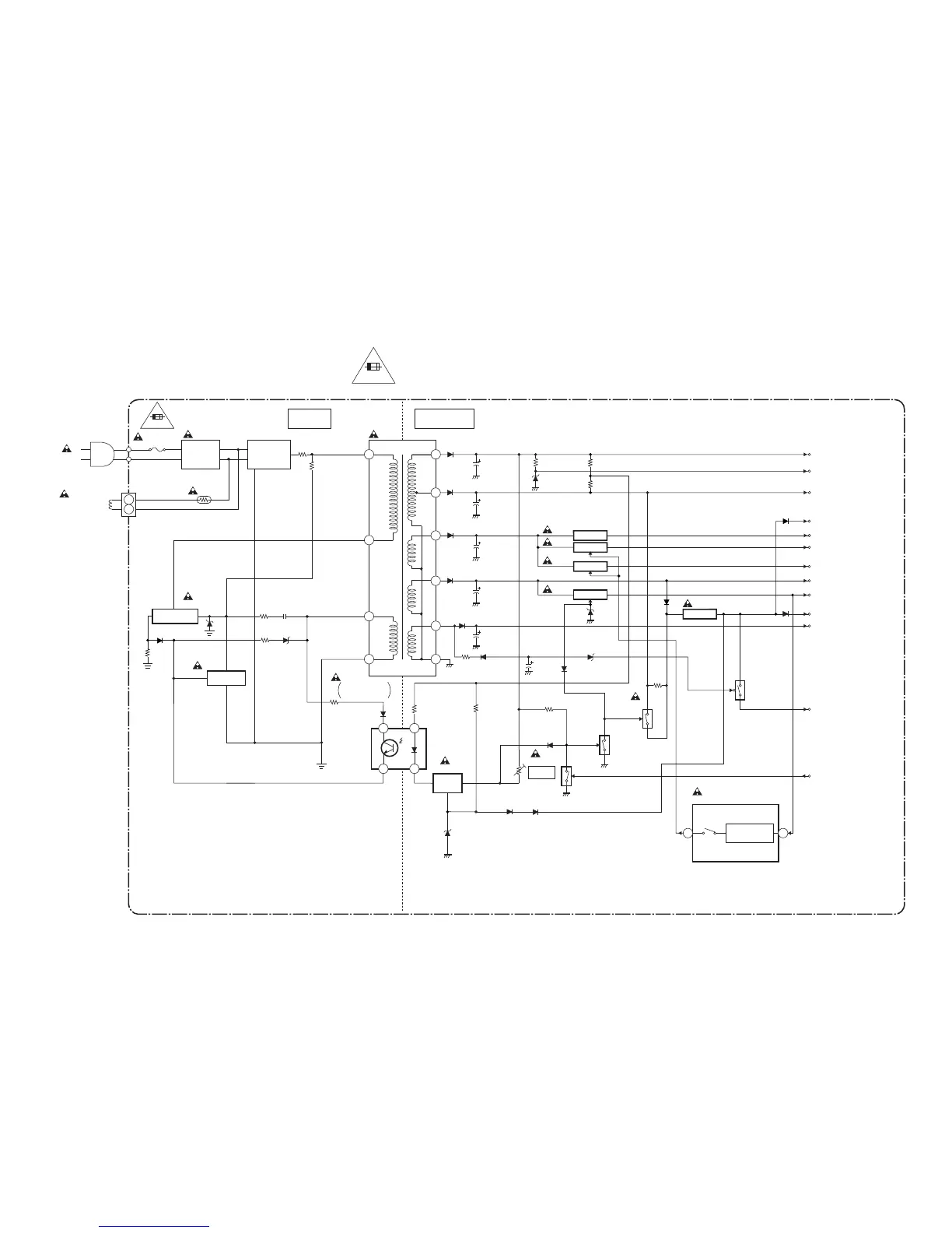
Power Supply Block Diagram
6
4
2
1
12
11
10
9
7
8
LINE
FILTER
BRIDGE
RECTIFIER
T601
IC601
ERROR
VOLTAGE DET
W601
F601
4A/125V
L601
D603 - D606
T7401BLP
SWITCHING
Q604
VR601
DEGAUSSING
COIL
CN601
Q601
+B ADJ.
FEED
BACK
LIMITER
Q602
PS601
4 1
3 2
HOT COLD
1-8-12
1-8-11
Q606
Q605
Q607
DG601
AL+33V
P-ON+5V
MAIN CBA
NOTE :
The voltage for parts in hot circuit is measured using
hot GND as a common terminal.
4A/125V
TIMER+5V
P-DOWN
(TO PIN84 OF IC201)
P-ON-ON
P-ON+5V
P-ON+5V
P-ON+8V
AL+12V
P-ON+12V
AL+5V
P-ON-H
(FROM PIN31 OF IC201)
+5V REG.
+5V REG.
+5V REG.
+5V REG.
+8V REG.
IC602
Q608
Q611
Q610
Q609
Q612
+5.7V
REGULATOR
IC301
3027
+B
DEF+B
HOT CIRCUIT. BE CAREFUL.
FOR CONTINUED PROTECTION AGAINST RISK OF FIRE,
REPLACE ONLY WITH SAME TYPE 4 A, 125V FUSE.
CAUTION:
ATTENTION: UTILISER UN FUSIBLE DE RECHANGE DE MÊME TYPE DE 4A, 125V.
4A/125V
CAUTION !
Fixed voltage ( or Auto voltage selectable ) power supply circuit is used in this unit.
If Main Fuse (F601) is blown, check to see that all components in the power supply
circuit are not defective before you connect the AC plug to the AC power supply.
Otherwise it may cause some components in the power supply circuit to fail.

Related product manuals