EasyManua.ls Logo

Symphonic WF803 - Troubleshooting Guide; Common Problems and Solutions

Symphonic WF803
110 pages
Print Icon
To Next Page IconTo Next Page
To Next Page IconTo Next Page
To Previous Page IconTo Previous Page
To Previous Page IconTo Previous Page
Loading...
TU701
SIF
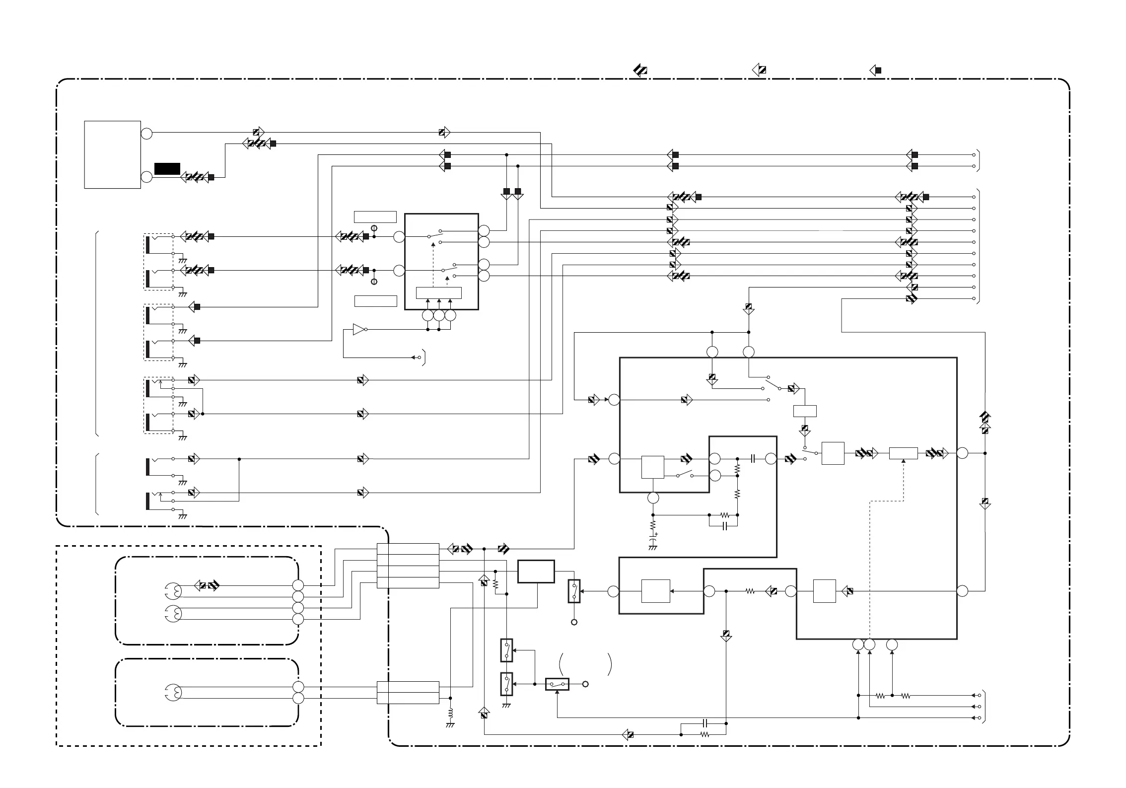
Audio Block Diagram ( DVC860D )
MOD-A
REC
AMP
7
6
AUTO
BIAS
99
P-ON+5V
P-ON+5V
Q421
BIAS
OSC
Q422
Q423 (PB=ON)
Q424
(PB=ON)
Q425
SWITCHING
D-REC OFF
4
EQ
AMP
LINE
AMP
MUTE
96
SP/LP-ON
P
R
ALC
(AUDIO PROCESS) 76
80
78
TUNER
REAR
FRONT
2
15
4 A-PB/REC
CL504
3 A-COM
1 AE-H
2 AE-H/FE-H
AUDIO
HEAD
AUDIO
ERASE
HEAD
AC HEAD ASSEMBLY
FE HEAD
(DECK ASSEMBLY)
1 AE-H/FE-H
2 FE-H-GND
CL501
1-10-5 1-10-6 H9400BLA
MAIN CBA
PB-AUDIO SIGNAL REC-AUDIO SIGNAL Mode : SP/REC
16
11 12
D-REC-H
D-REC-H
REC/EE/PB
A-MUTE-H
D-PB-L
FROM
SERVO/SYSTEM
CONTROL BLOCK
DIAGRAM
FULL
ERASE
HEAD
IC301
SIF
MOD-A
A-IN (R)-F
A-IN (L)-F
A-IN (L)
A-IN (R)
A-OUT (R)
A-OUT (L)
N-A-OUT
N-A-IN
JK752
A-IN (R)
A-IN (L)
JK754
A-IN (L)-F
JK755
A-IN (R)-F
FROM/TO Hi-Fi AUDIO
BLOCK DIAGRAM
FROM DVD VIDEO/
AUDIO BLOCK
DIAGRAM
<DVD SECTION>
FRONT
REAR
IC751
(OUTPUT SELECT)
DVD-A(L)
DVD-A(R)
98
1
100
2
3
TP753
A-OUT (R)
TP754
A-OUT (L)
SW CTL
DVD
VCR
DVD
VCR
JK751
A-OUT (R)
A-OUT (L)
JK756
A-OUT (R)
A-OUT (L)
9 10 11
5
3
12
13
Q760
14
4
OUTPUT-SELECT
FROM SERVO/SYSTEM
CONTOL BLOCK
DIAGRAM
DVD AUDIO SIGNAL
WF10

Other manuals for Symphonic WF803

Related product manuals