EasyManua.ls Logo

Symphonic WF803 - Page 48

Symphonic WF803
110 pages
Print Icon
To Next Page IconTo Next Page
To Next Page IconTo Next Page
To Previous Page IconTo Previous Page
To Previous Page IconTo Previous Page
Loading...
MM1
MM2
MM3
NN1
NN2
NN3
OO1
OO2
OO3
PP1
PP2
PP3
QQ1
QQ2
QQ3
MM4
NN4
OO4 PP4 QQ4
RR1
RR2
RR3
RR4
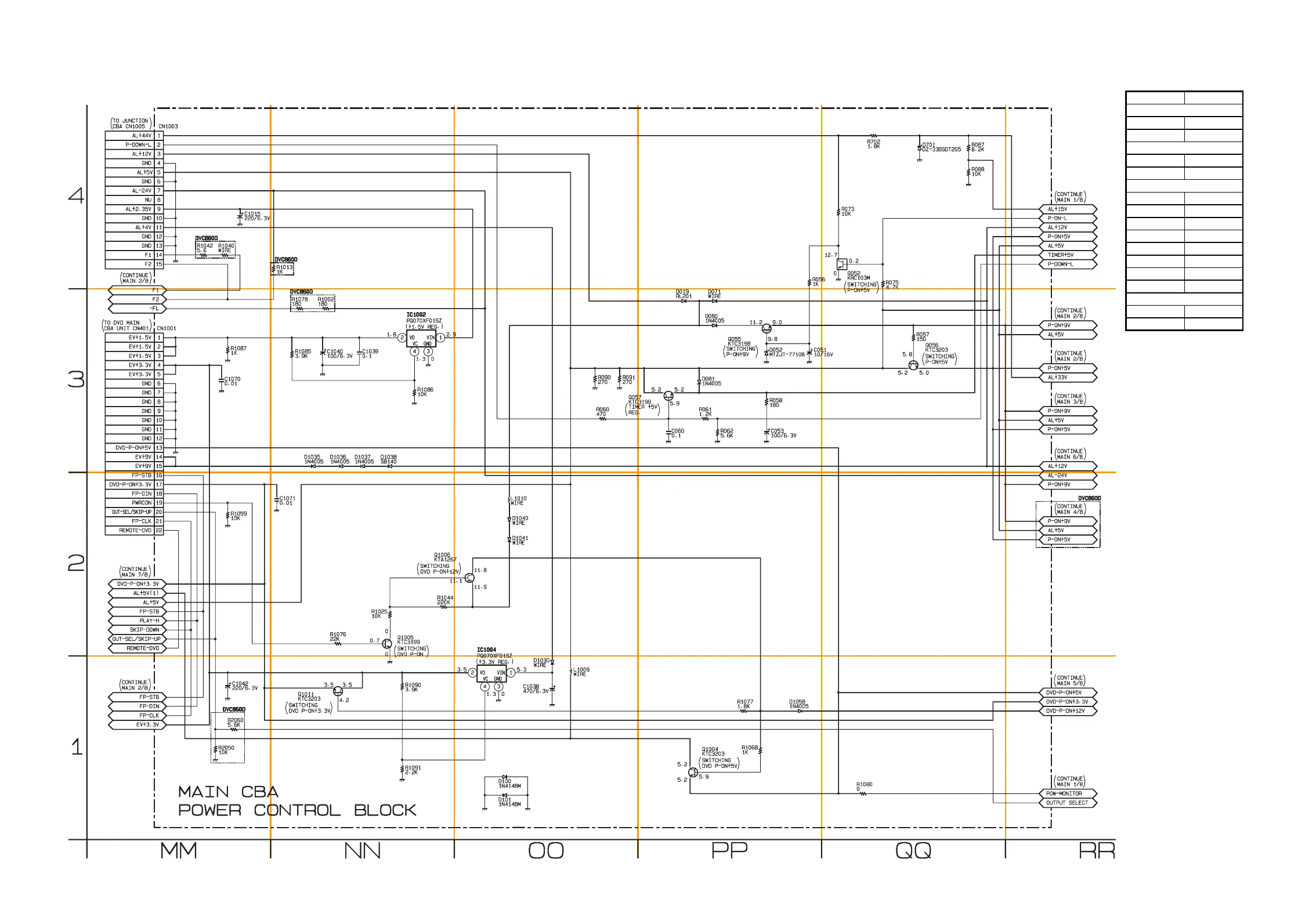
Main 8/8 Schematic Diagram < VCR Section >
1-11-17
1-11-18
H9400SCM8
MAIN 8/8 Schematic Diagram
Parts Location Guide
Ref No. Position
IC1002 NN-3
IC1004 OO-1
L1009 OO-1
L1010 OO-2
Q052 QQ-4
Q055 PP-3
Q056 QQ-3
Q057 PP-3
Q1004 PP-1
Q1005 NN-2
Q1006 OO-2
Q1011 NN-1
CN1001 MM-3
CN1003 MM-4
TRANSISTORS
CONNECTORS
COILS
ICS

Other manuals for Symphonic WF803

Related product manuals