EasyManua.ls Logo

Symphonic WF803 - Page 54

Symphonic WF803
110 pages
Print Icon
To Next Page IconTo Next Page
To Next Page IconTo Next Page
To Previous Page IconTo Previous Page
To Previous Page IconTo Previous Page
Loading...
A1
A2
A3
A4
B1
B2
B3
B4
C1
C2
C3
C4
D1
D2
D3
D4
E1
E2
E3
E4
F1
F2
F3
F4
FOCUS SERVO SIGNAL
SLIDE SERVO SIGNAL
DATA(VIDEO+AUDIO)
TRACKING SERVO SIGNAL
SPINDLE SERVO SIGNAL
1-11-29
1-11-30
H9400SCD1
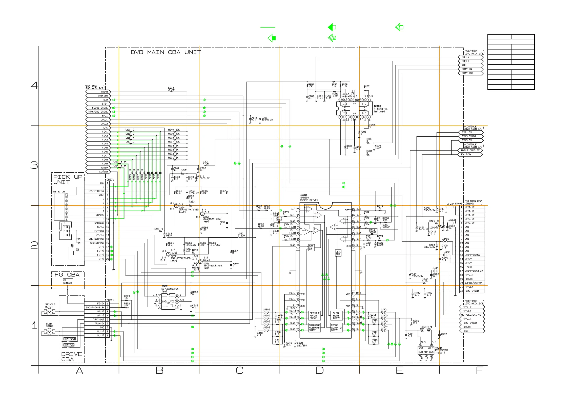
DVD Main 1/3 Schematic Diagram < DVD Section >
DVD MAIN 1/3 Schematic Diagram
Parts Location Guide
Ref No. Position
IC201 B-1
IC202 E-4
IC301 D-3
IC461 E-1
Q251 C-2
Q252 B-2
Q253 C-2
Q254 B-2
ICS
TRANSISTORS

Other manuals for Symphonic WF803

Related product manuals