EasyManua.ls Logo

System Cleaners S2 - System Description; Satellite Unit Overview

System Cleaners S2
48 pages
Print Icon
To Next Page IconTo Next Page
To Next Page IconTo Next Page
To Previous Page IconTo Previous Page
To Previous Page IconTo Previous Page
Loading...
Version 13 (08.2018. EN) (S2)
Page 4 of 48
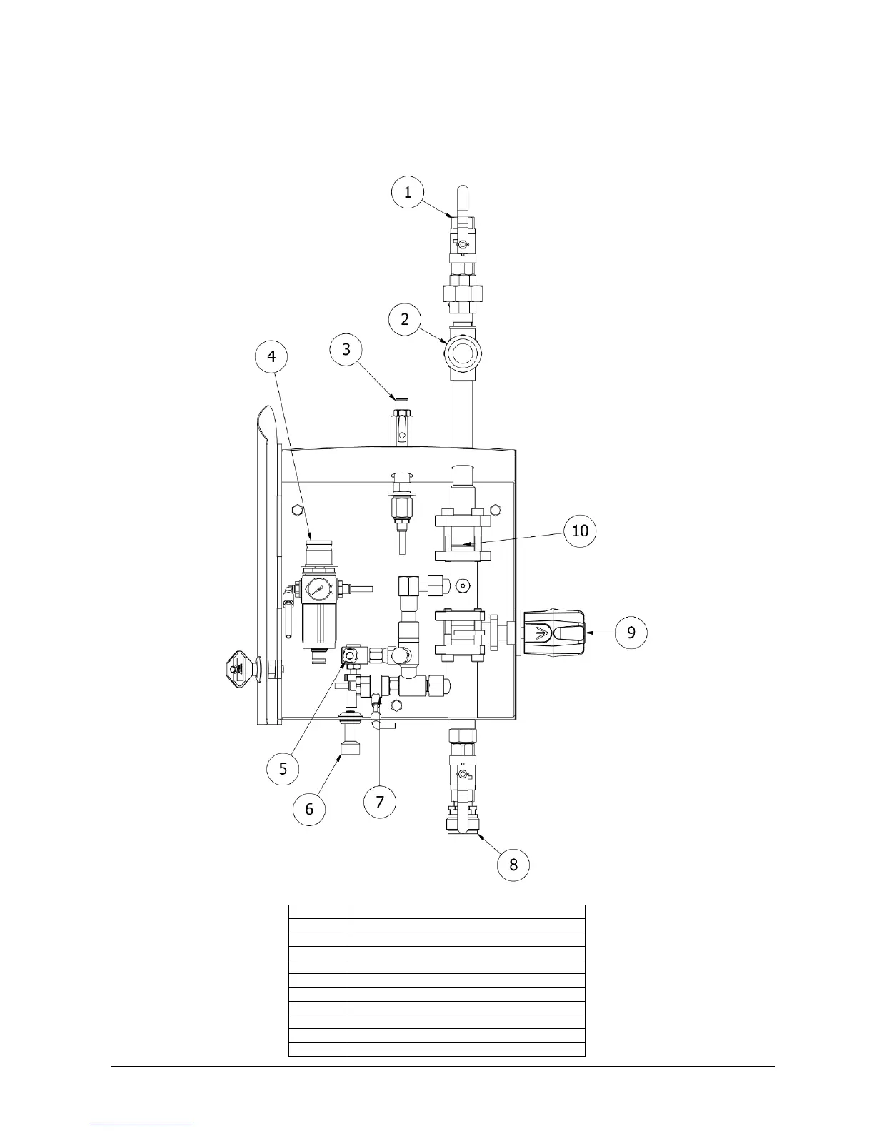
DESCRIPTION
Satellite
A satellite is connected to pressurized water, a number of chemicals and, depending on the model, compressed air.
Using a satellite it is possible for one operator to rinse, foam or disinfect (depending on model).
Pos.
Description
1
Inlet water
2
Strainer
3
Inlet air
4
Air regulator
5
Dosing valve chemical
6
Suction tube chemical
7
Air unit
8
Outlet
9
Function selector
10
Injector system

Related product manuals