EasyManua.ls Logo

System Cleaners S2 - Page 44

System Cleaners S2
48 pages
Print Icon
To Next Page IconTo Next Page
To Next Page IconTo Next Page
To Previous Page IconTo Previous Page
To Previous Page IconTo Previous Page
Loading...
Version 13 (08.2018. EN) (S2)
Page 44 of 48
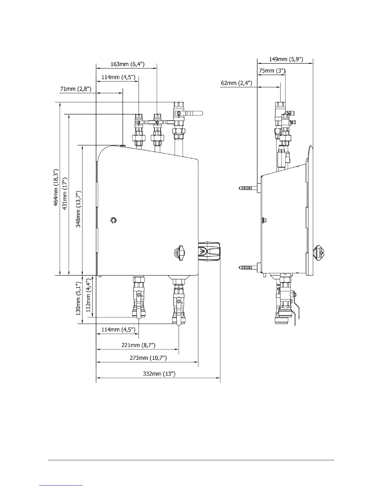
TECHNICAL SPECIFICATIONS WALL S2 PF + PF

Related product manuals