EasyManua.ls Logo

SystemAir PAW-200W5APAC

SystemAir PAW-200W5APAC
44 pages
To Next Page IconTo Next Page
To Next Page IconTo Next Page
To Previous Page IconTo Previous Page
To Previous Page IconTo Previous Page
Loading...
14
4 - Installation
When two or several units are connected in parallel, to balance the
load losses of the various circuits, it is recommended to execute a
“reverse return” connection (see the diagram below).
UNIT 1
UNIT 2
Legend
S On/Off valves
VG Balancing valves
WARNING
Always install the flow switch kit and the
water filter kit supplied loose with the unit (see
accessory chapter for more information). The
lack of these components will void the warranty
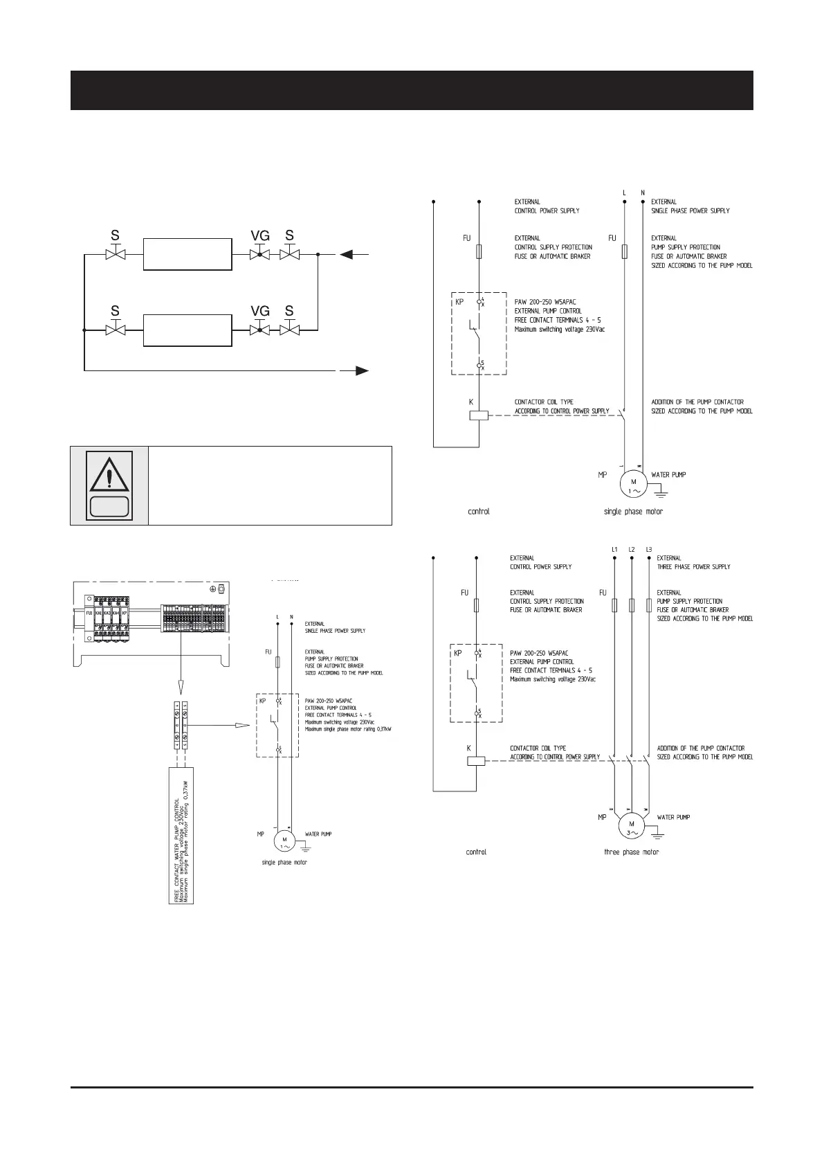
Instruction for external pump
Single phase motor pump > 0,37 kW
Threephase motor pump
Single phase motor pump < 0,37 kW

Related product manuals