EasyManua.ls Logo

Taie FA230 - Zero; Phase Control; Zero Cross Control (SCR Module); Zero Cross Control (TRIAC Module)

Default Icon
89 pages
Print Icon
To Next Page IconTo Next Page
To Next Page IconTo Next Page
To Previous Page IconTo Previous Page
To Previous Page IconTo Previous Page
Loading...
75 FY operation manual
16. Zero / Phase Control
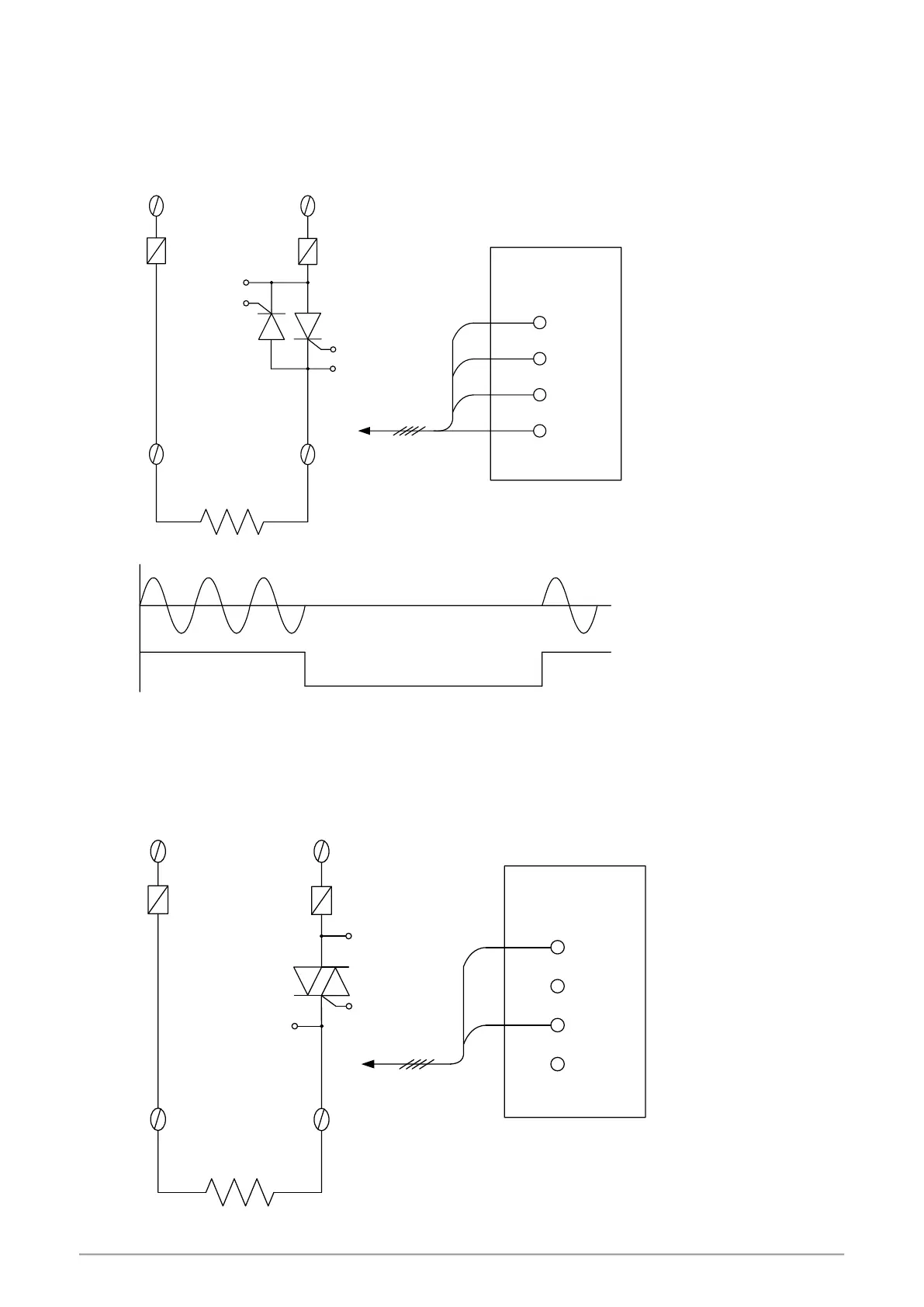
16.1 1ϕ Zero Cross Control (SCR module)
OUT1 : 1Φ SCR zero cross control
Parameter setting : OUTY= 0, CYT1= 1
Wiring Setup :
Time Chart
CYCLE TIME = 200ms
ON OFF
S
R
K2
G2
G1
K1
U
V
Fast Fuse
SCR
Module
Load
Controller
G1
K1
G2
K2
16.2 1ϕ Zero Cross Control (TRIAC module)
OUT1 : 1Φ SCR zero cross control
Parameter setting : OUTY= 0, CYT1= 1
Wiring Setup:
S
R
U
V
Fast Fuse
TRIAC
Module
Load
T2 (G2)
G (G1)
T1
Controller
G1
K1
G2
K2

Table of Contents