EasyManua.ls Logo

Taie FA230 - Page 78

Default Icon
89 pages
Print Icon
To Next Page IconTo Next Page
To Next Page IconTo Next Page
To Previous Page IconTo Previous Page
To Previous Page IconTo Previous Page
Loading...
77 FY operation manual
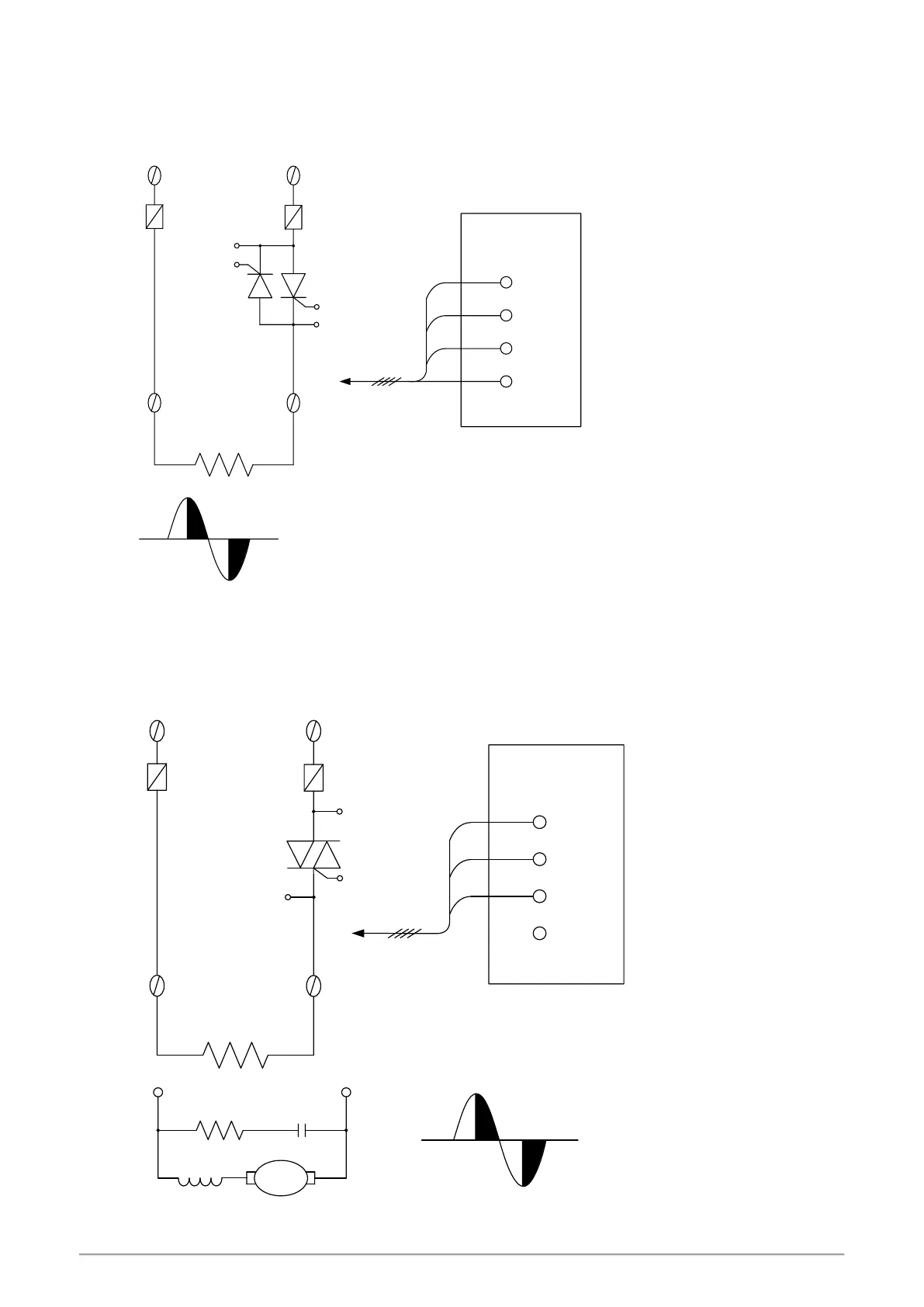
16.5 1ϕ Phase Angle Control (SCR module)
OUT1 : 1Φ SCR phase angle control
Parameter setting : OUTY= 4, CYT1= 0
CLO1 = 120, CHO1 = 4200
Wiring Setup :
S
R
K2
G2
G1
K1
U
V
Fast Fuse
SCR
Module
負載
Controller
G1
K1
G2
K2
** Controller source phase must be same as load source phase
16.6 1ϕ Phase Angle Control (TRIAC module)
OUT1 : 1Φ SCR phase angle control
Parameter setting : OUTY= 4, CYT1= 0
CLO1 = 120, CHO1 = 4200
Wiring Setup :
** Controller source phase must be same as load source phase
M
½ W 100Ω
0.1μf / 630V
S
R
U
V
Fast Fuse
TRIAC
Module
Load
T2 (G2)
G (G1)
T1 (K1)
Controller
G1
K1
G2
K2

Table of Contents