EasyManua.ls Logo

Tascam DA-40 - Power Connections; Block Diagram

Tascam DA-40
34 pages
Print Icon
To Next Page IconTo Next Page
To Next Page IconTo Next Page
To Previous Page IconTo Previous Page
To Previous Page IconTo Previous Page
Loading...
1 - Introduction to the DA-40
TASCAM DA-40
8
WARNING
Do not attempt to use the tape deck with any
remote control unit except one designed
especially for use with this tape deck.
The
CONTROL I/O
connector is for use with suit-
ably-equipped control units (see
CONTROL I/O
[34]
).
1.5.5Power connections
Make sure that your AC voltage supply matches the
voltage requirements of the tape deck (as printed on
the rear panel).
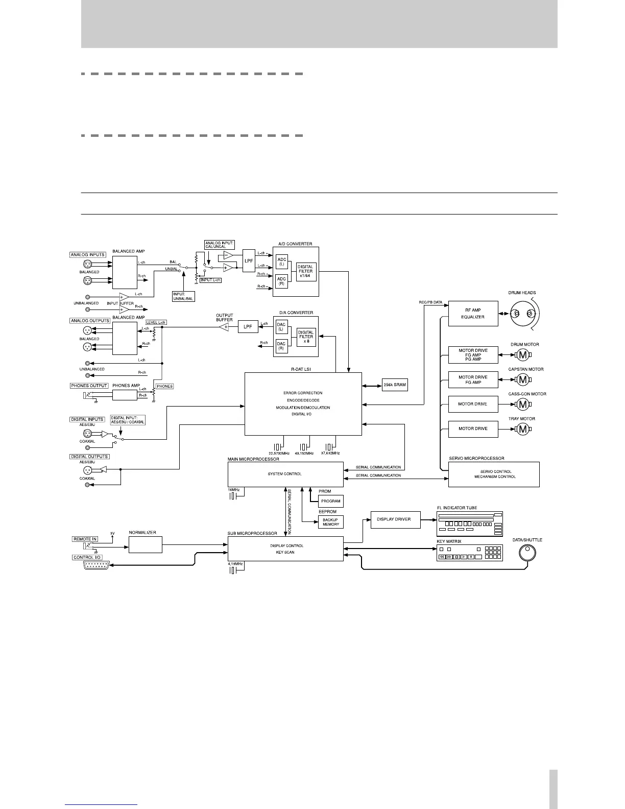
1.6 Block Diagram

Table of Contents

Other manuals for Tascam DA-40

Related product manuals