EasyManua.ls Logo

TC Electronic FireworX - Signal Flow

TC Electronic FireworX
83 pages
Print Icon
To Next Page IconTo Next Page
To Next Page IconTo Next Page
To Previous Page IconTo Previous Page
To Previous Page IconTo Previous Page
Loading...
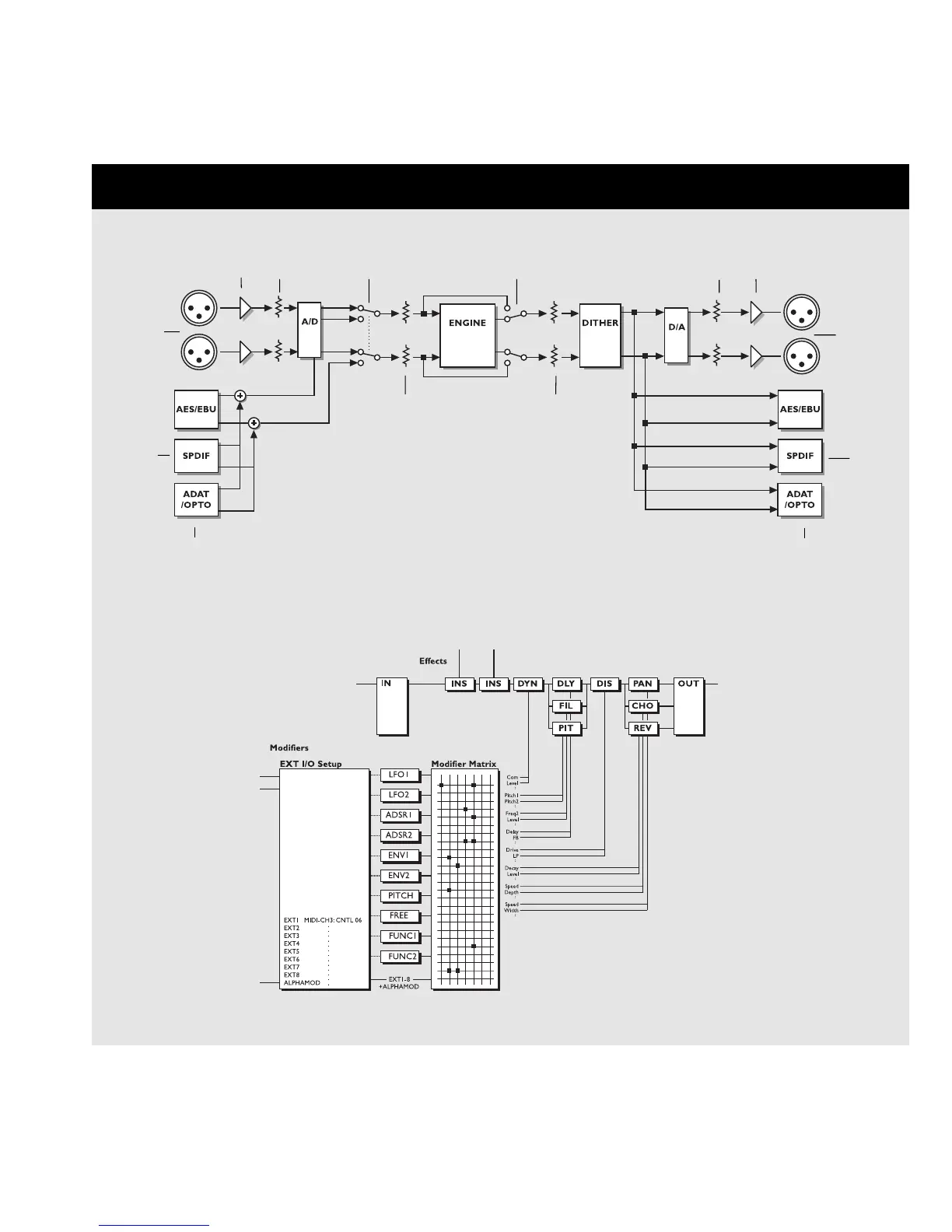
Digital
Inputs
Dial
MIDI
INSERT
Send
INSERT
Return
Pedal
Analog
Inputs
[balanced]
Input
Gain
Channel select
ADAT/OPTICAL
Channel select
ADAT/OPTICAL
Con/Pro
Levels
Con/Pro
Levels
Input
Selector
Bypass
Output
Gain
Digital
Output
Analog
Outputs
[balanced]
INTRODCUTION The Signal Flow
9
Modifier Flow
Digital
Input
Gain
Digital
Output
Gain
Input
Output

Related product manuals