EasyManua.ls Logo

TCM FB18-7 - Page 31

TCM FB18-7
175 pages
Print Icon
To Next Page IconTo Next Page
To Next Page IconTo Next Page
To Previous Page IconTo Previous Page
To Previous Page IconTo Previous Page
Loading...
2. MOTORS
- 19 -
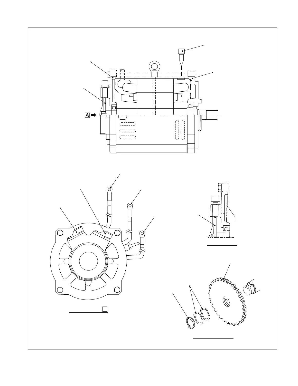
Fig. 2.2 Drive Motor
REAR BRACKET
SLITTED DISC
THERMO-SENSOR
CONNECTOR
FRONT BRACKET
SPEED SENSOR B
SPEED SENSOR A
W PHASE
V PHASE
U PHASE
SLITTED DISC
Two slitted discs are joined by
aligning their respective teeth.
WAVE WASHER
SNAP RING
Detail of Sensor
Detail of Slitted Discs
View looking from
A

Table of Contents

Related product manuals