EasyManua.ls Logo

TE LDM-1000 - Connection Diagrams

TE LDM-1000
11 pages
Print Icon
To Next Page IconTo Next Page
To Next Page IconTo Next Page
To Previous Page IconTo Previous Page
To Previous Page IconTo Previous Page
Loading...
LDM-1000
LVDT/RVDT Signal Conditioning Module
TE CONNECTIVITY SENSORS /// LDM-1000 OPERATION MANUAL P/N 09290100-000 REV. C 05/2016
Page 9
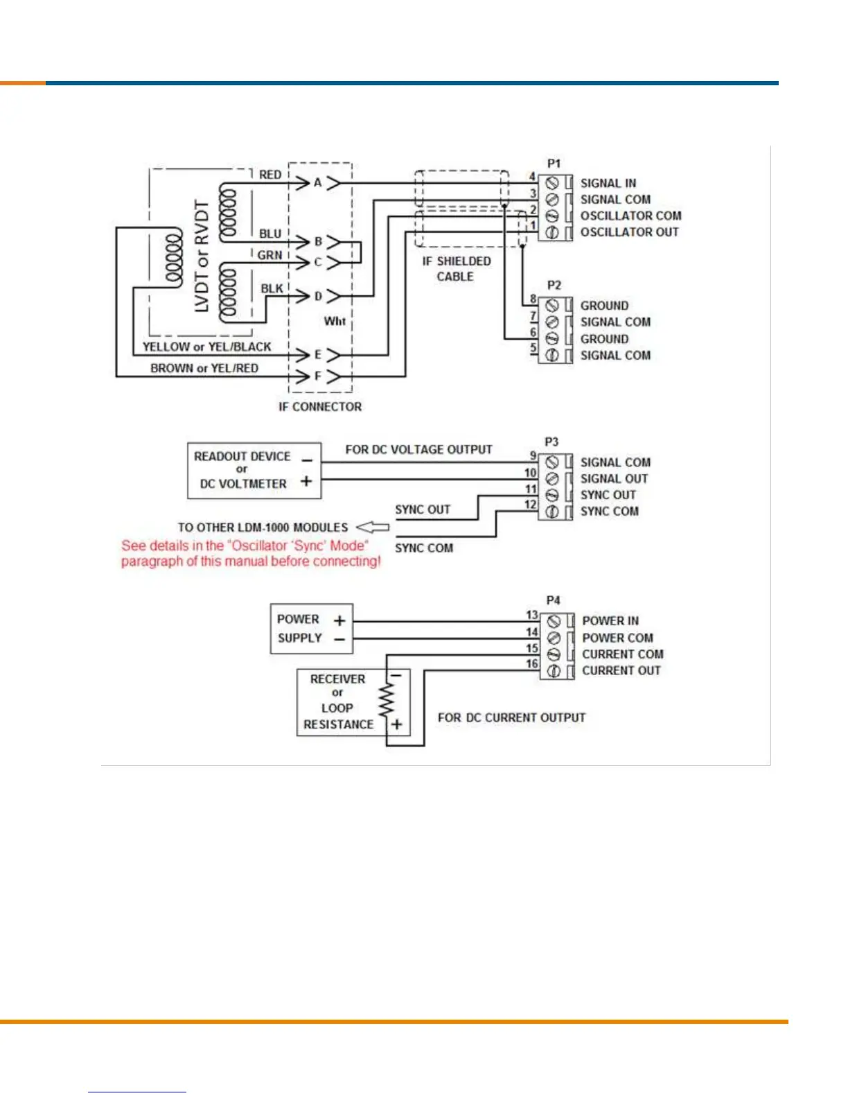
6. Connection Diagrams