EasyManua.ls Logo

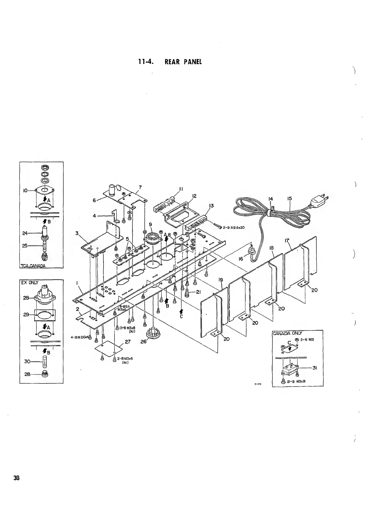
Teac A-2300SD - Rear Panel

Teac A-2300SD
50 pages
Print Icon
To Next Page IconTo Next Page
To Next Page IconTo Next Page
To Previous Page IconTo Previous Page
To Previous Page IconTo Previous Page
Loading...

Related product manuals