EasyManua.ls Logo

Teac A-3300SR - Page 51

Teac A-3300SR
58 pages
Print Icon
To Next Page IconTo Next Page
To Next Page IconTo Next Page
To Previous Page IconTo Previous Page
To Previous Page IconTo Previous Page
Loading...
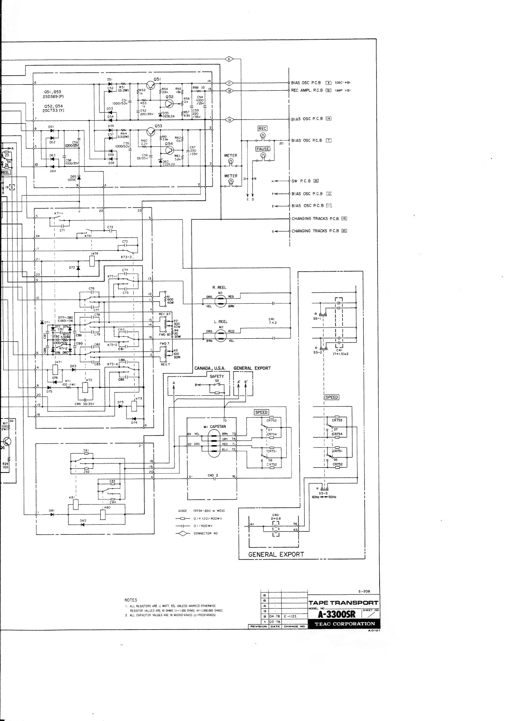
Q51,053
2SD389
(P)
052,
054
25C733
(Y)
|
077~
080
|
SIBOI-06
R5!
A
33\2W)
CANADA
,
U.S.A.
SAFETY
s2
B
70
mi
CAPSTAN
a.
ee
ee
ee
DIODE
RBE-200
w
wose
-
—O—
_
01+120/400wv
hk
01/400wv
—<S>—
connector
No
NOTES
1.
ALL
RESISTORS
ARE
4%
WATT.
5%.
UNLESS
MARKED
OTHERWISE
RESISTOR
VALUES
ARE
IN
OHMS
(k=
1.000
OHMS.
M=
1.000.000
OHMS)
2.
ALL
CAPACITOR
VALUES
ARE
IN
MICROFARADS
(p=PICOFARADS).
GENERAL
EXPORT
wT
Se
ee
0
REC
AMPL.
P.C.B
(AMP
+B)
6BIAS
OSC
PC.B
[4j
P
BIAS
OSC
PC.B
PAUSE
|
\
H
SW
PC.B
[35
F
BIAS
OSC
P.C.B
10
c
OD
E
BIAS
OSC
PC.B
[jj
©
CHANGING
TRACKS
PC.B
[3]
6
¢
CHANGING
TRACKS
P.C.B
[2]
|
ees,
GENERAL
EXPORT
—__
|
a
|
a
is
ae
ee
23
cee
eS)
[2
fowre[
e123
fever
oars
|
Sommer
TEAC
CORFORAPON
A.0101

Related product manuals