EasyManua.ls Logo

Teac A-3300SR - Page 54

Teac A-3300SR
58 pages
Print Icon
To Next Page IconTo Next Page
To Next Page IconTo Next Page
To Previous Page IconTo Previous Page
To Previous Page IconTo Previous Page
Loading...
L
eurem
LOW
HIGH
TARE:
pOURCE.
=
ak
45040
,
SW500-1
fr
.
,
qf
OD
-808
|
|
FWD
|
ww
|
i?
|
+>
&
clos
|
PioosesviKuy
|
cio1
c2u
R219.
1ON6VIT)
10/16V
150k
6
VR202
R102
47k(B)
|
ik
|
RIO!
C213
270k
102
47/6.3V
|
RIO4
56k
O
RI23
R120
Ri2l
|
3
cua
REV
O
(R)
K6OI-24
x
|
cls
kb
|
Re02|
|
R126
R129
680k
|
|
Oy
Oy
|
R135
vrio3
|
vRI04
spine
aca
raaaal
Cs
|
|
is
[eee
|
F
O
|
|
P
swsol-t
J504b
WOOT
|
i.
foes
©
:
R
€,
,F
|
|
fouTPUT]
R
our,
PUT!
:
|
|
on
|
|
REC
EQ
ouTP
4
|
|
¢—_—
J506
|
Low,
JHIGH
TARE
|
JSW506-!
fsws02-3
No
l
|
|
A
iLINE_INy
RSO1
LEFT
(O
{\
SS
CC
OO
O
O-
Ona
é
———
TRECORD
METER
AMPL.BOARD
306,
0.082
m
Mu
J50la
fa
.
;
R309
Rare
O
100k
R308
|
ise
|
oSies,
aiai
|
R307,
15k
L
SV
H
|
270k
aS
as
igs
R323.
i“
68k
C35
C128
10716V
|
270k
:
6208
|
lO/6V
R301
Q301
G7o5V
y
Ca
i
R140
#208
ate
c3i6
|g,
LEFT
=
1k
301
Ss
.
0
yesv
|
25%
iS
|
10725V
R324
R314,
15k
|
Ria2
pre
120k
f
R503
68k
C338
4.7k
VR303
220/25V
|
R
vR302
7)
100k(B)
MIC
O
R
ef
|
R149
|
o
47k
R
|
|
R331
R35!
O
|
RIGHT
O
|
|
320
6334
or
Ria?
|
?
s
O
O
R329
C327
Cc.
c1a7
|
|
ar
ash
135
6
|
R148
Q108
b
|
|
R153
RISO
|
|
R336
—-R335
NED
|
¥
|
|
:
ee
age
a
er ee
ee
A
ee
tk
M
MT
RIGHT
O—w
4
bo
a
es
ee
erro
O O
O-
~O—-
ysorn
"52
oe
CD
So
2
&
cs02
q
H
2
——~--—-———--4
mat
'
aoa
0603
q
Dp
56k
ISR34-200(WO3C)
ie
Q
;
“swede
4
=
HIGH
TAPE
Sw506~-2
1S2473VE
R6OI
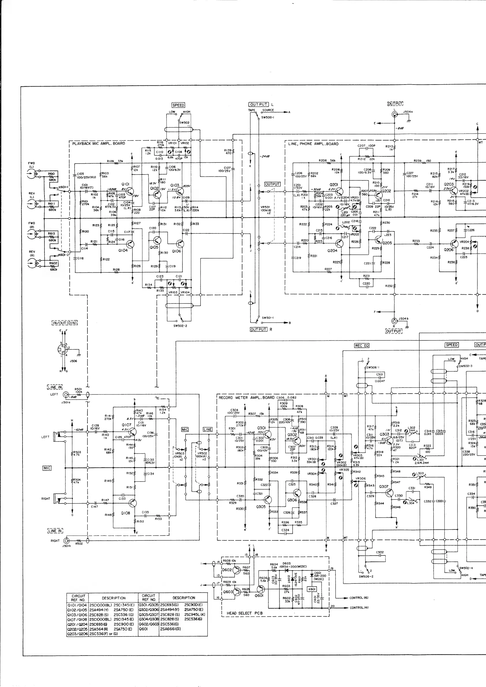
OESCRIPTION
2SCSO0(E)
2SA750
(E)
2SC945L
(K)
2SC536
()
CONTROL
(16)
Q301
/Q305|
2SC693(G)
Q302/0306|
2SA494
(Y)
Q303/0307}
2SC828
(S)
Q304/0308)
2SC828
(S)
0602/0603}
2SC536(G)
2SA6661(S)
ee
te,
DESCRIPTION
QIOI
0104
|
2SCIOOO(BL)
2SC1345(E)
Q102
/QI05
|2SA494(Y)
2SA750
(E)
Q103/QI06
|2SC828(S)
2SC536
(G)
CONTROL
(41)
2SC900
(E)
2SA750
(E)
020!
/0204
|
2SC693
G)
Q202/0205
|
2SA564
(R)
Q203/0206}
2SC536(F)
or
(G)

Related product manuals