EasyManua.ls Logo

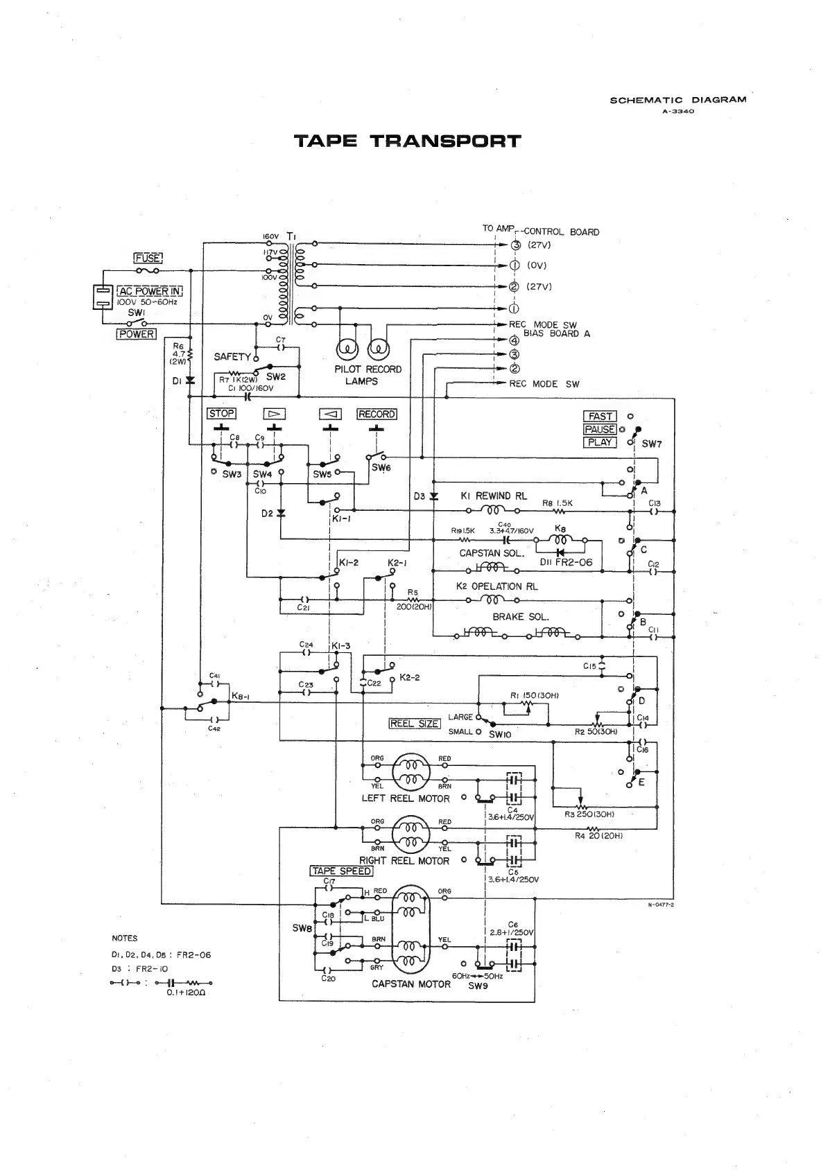
Teac A-3340 - SCHEMATIC DIAGRAMS; TAPE TRANSPORT SCHEMATIC

Teac A-3340
102 pages
Print Icon
To Next Page IconTo Next Page
To Next Page IconTo Next Page
To Previous Page IconTo Previous Page
To Previous Page IconTo Previous Page
Loading...
SCHEMATIC
DIAGRAM
A-3340
TO
AMP...
\6ov
Ti
:
So
BOARD
0
nee
fanee1
Wve
i
;
paar
k=
QD
(Ov)
100V
>
|
i
iets
=
27
=5)
[AC
POWER
TN}
S
@
(27
ca}
|OOV
50~60Hz
oS
1
b
Swi
=
:
on
gy
te
REC
MODE
SW
POWER
a
@
BIAS
BOARD
A
Re
I
me
SAFETY
6
i
ares
PILOT
RECORD
j=
@
R7
1K(2W)
!
e
C1
]OO/16OV
EAMES
REC
MODE
SW
STOP
=]
[=]
[RECORD
FAST]
©
re
sii hes
am
PAUSE]
0
Ce
Co
|
|
|
|
PLAY
|
SW7
QO
|
9
Oo
oOo
L
©
swa]swa@
|
swso—
[SWE
A
oe
L
2
D3
Ki
REWIND
RL
JF
O
oH)
—-o
Y
me
pls
C40
|
Rigi5K
—-3.344.7/I6OV
Kg
O
WW
-————_}
O
00
O
°
CAPSTAN
SOL.
cakes
QR
Dil
FR2-06
200(20H)
.
|
|
C24
lKi-3
|
Lo
L9
Cis
|
Ce
-
©
BH
O
C22
o
K2-2
S
ie
0
Ke-1
Ri
(50(30H)
df
bd
6
[1
|
LARGE
A
epicn
REEL
SIZE
Es
SMALLO
swig
Re
50(30H)
|
|
i)
Fan
ue,
||
RIGHT
REEL
MOTOR
©
Q
HH
TAPE
SPEED
1.
Gs
Cir
1
3.6+1.4/250V
H
RED
(~~
ORG
|
=
fee
°
N-0477-2
QQ
NOTES
D01,02,04,05
:
FR2-06
03
:
FR2-10
too
6OHz<+>50Hz
othe
eo
CAPSTAN
MOTOR
swe
0.141200

Other manuals for Teac A-3340

Related product manuals