EasyManua.ls Logo

Teac A-4010GSL - Page 72

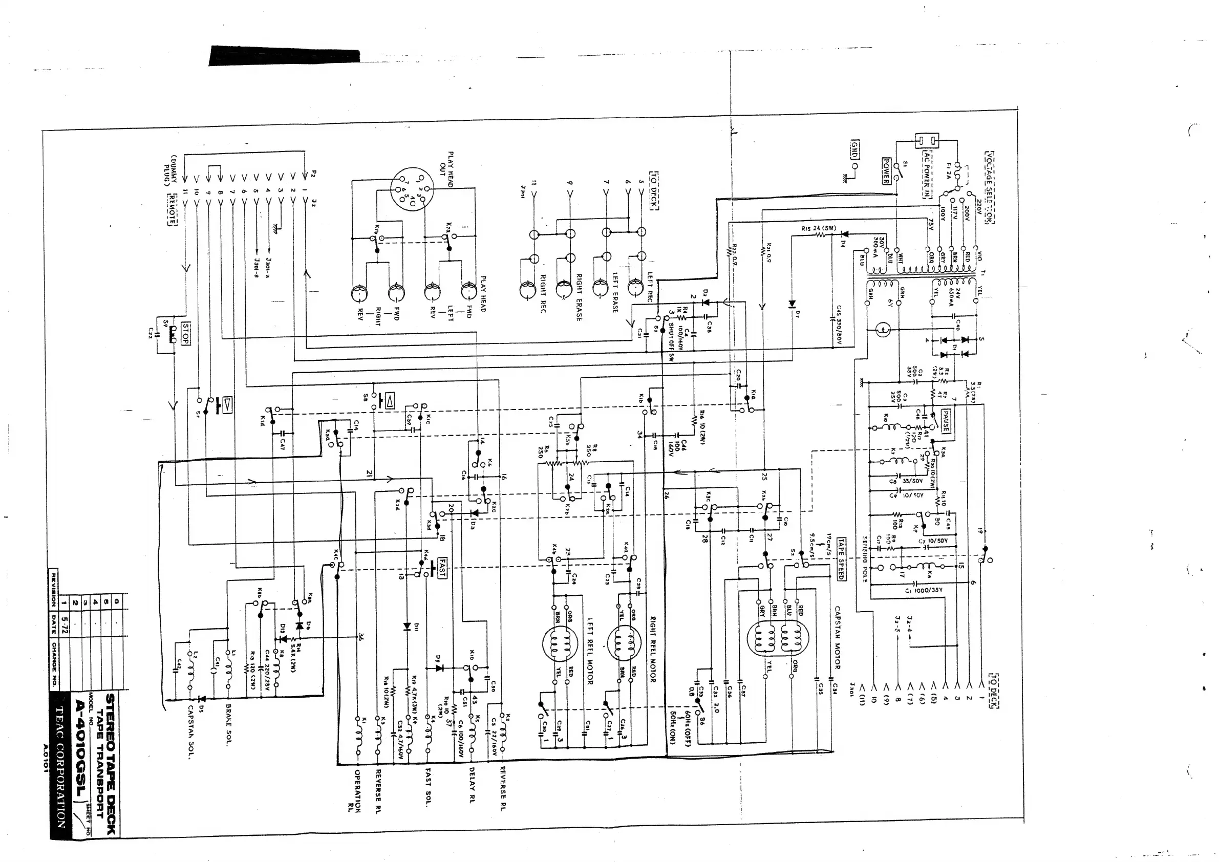
Teac A-4010GSL
72 pages
Print Icon
To Previous Page IconTo Previous Page
To Previous Page IconTo Previous Page
Loading...
WORSE
SELE
TOR]
!
>
3
|
>
30
«(|
b
—-------
.
3
xe
g
<
(5)
sate
1
nr
20
|
8
5
ky
©
3
=)
Q
ivan)
3
\3
3
32-4
<7)
1
ee
~
Ria
o
«7
(*
a
A
100
Re
Ko
C
t
ba
109
!
?
Ci
°
\
|
SENSING
POLE
9
i
f
<a)
\
'
Taor
I
:
=
Cas
330/50V
i
\
TAPE
SPEED
CAPSTAN
MOTOR
C3a
5
'
|
VWem/S
|
aH
a
'
4
128
1.
a
1
----
9.Scem/sl
&
wane
|
-—-—
R22.
0.9.
--—
--——
Rie
10
(2W)
S6
‘are
|
ae
|
a
ads
|
!
\
j
SOHz(ON)
RA
nerve
1
|
3
|
LTO_DECK
4
1
LEFT
REC
.
RIGHT
REEL
MOTOR
'
5
>
“eT
\
:
Y
cz,
3
LEFT
ERASE
1
7
t
Car
4
\
=?
'
|
cai
|
ca9,,3
«
RIGHT
REC
Tao
M
}
C30,
1!
it
o—
(
\
!
|
'
{
|
SUV
-O--}
REVERSE
RL
Cso
|
$
22/160V
~it
PLAY
HEAD
a
K2
Cc
:
C)
43
Ks
:
Q.
FWD
3
Kio
rs
OL
FT
+-O—4q
DELAY
RL
|
cSt
ce
100/160V
eames
ey
epery
a
Rio
10
37
REV
w
FAST
SOL.
Rig
4.7K
(3H)
Ke
——OL
FE
QQ
EWwo
Cs2
4.7/\60V
|
Ris
fO(2W)
yy
ont
REVERSE
RL
REY
;
OPERATION
-
RL
'
2
>
Sse
Sa
!
ee
ae
a
{
:
©
©
4
>
SJazo-3
°
dH!
C44
220/28V
s
>
J
01-8
me
Ker
G
Ria
120
62)
6
nl
Seater
Saat,
i
Ao
us
7
esl
;
OL
TE
YO—-}
BRAKE
SOL.
8
voles
|
Cat
ee
a
:
Wop
STOP
OST
TO
CAPSTAN
SOL.
CDUMMY
'REMOTE!
=
EMOT
PLUG)
EMOTE)
a
N
Sel
acvavey
wae
TAPE
TRANSPORT
eNO:
SHEET
NO.
A-GO010GSL
|
|)
s
0b
27:
OM
@10)°2
16).42
0
U
(Oly

Related product manuals