EasyManua.ls Logo

Teac A-4070G - Page 29

Teac A-4070G
62 pages
Print Icon
To Next Page IconTo Next Page
To Next Page IconTo Next Page
To Previous Page IconTo Previous Page
To Previous Page IconTo Previous Page
Loading...
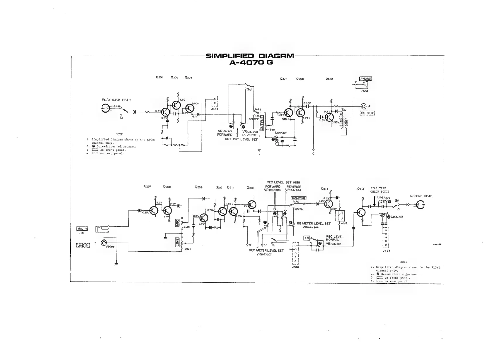
SIMPLIFIED
DIAGRIIAWH
A-4070
G
Qz2o1
Q202
=
Q203
Q204
Q205
Qzo6
PHONE
'
PLAY
BACK
HEAD
i
2.65V
Teen
-
04
°
$i
1.95V
VRto1/201
VRioz/202
Lioi2or
NOTE
FORWARD
REVERSE
1.
Simplified
diagram
shown
in
the
RIGHT
OUT
PUT
LEVEL
SET
channel
only.
2.
@
Screwdriver
adjustment.
3.
[4
on
front
panel.
4,
CLI
on
rear
panel.
a
Cc
REC
LEVEL
SET
HIGH
Qeo7
Qz2o8
FORWARD
REVERSE
BIAS
TRAP
oe
sae
020
G22
VR103/203
VRio4/204
Gais
Gaia
CHECK
PONIT
Liosve0e
RECORD
HEAD
ae
=
8.2V
@
103/203
@S%
PB
METER
LEVEL
SET
?
Las
1a
MIC_R
oe
'
Jiol
REC
LEVEL
oy
NORMAL
Lo!
poenany
R
VR108/208
1
Onn
m-0298
CLINE
IN}
J309b
|
Lid
REC
METER
LEVEL
SET
el
J305
VR107/207
bo.
t
°
'
10;
NOTE
eae
|
J306
1.
Simplified
diagram
shown
in
the
RIGHT
channel
only.
2.
@
Screwdriver
adjustment.
3.
(“lon
front
panel.
4.
Cll}on
rear
panel.

Related product manuals