EasyManua.ls Logo

Teac A-4300SX - Page 24

Teac A-4300SX
47 pages
Print Icon
To Next Page IconTo Next Page
To Next Page IconTo Next Page
To Previous Page IconTo Previous Page
To Previous Page IconTo Previous Page
Loading...
HIGH
LOW
TAPE
SOURCE
L
(0)
:
00
Q
OPA
a:
sw502-1
>
SWS00-1
EQUALIZER
,
MIC
AMPL.
BOARD
<
aaa
eae
LINE,
PHONE
AMPL.BOARD
L-OuT
ee
me
ee
es
ee
O-
ree
oS
SO
~~
_—
i
|
|
VRI02|
VRIOI
RUS
RUG
220
|I5K(B)
|6.8KIB)
|
:
207
100P.
R213.
Ik
d
2
a
K
A
A
s,
o
|
2
12k
7]
8
|
=
R
ji
a8
RIO9
33k
cil0
0.015
C108
470P
bles
R208
56k
|
Rzi22zk
239
150
|
8
oe
a
een
age
N“
o
0
~
@
|
8
"ser
ee
el
a
18
ls3k
9
yiol
©
|
clo!
1o/iev
t
=
&
OORIAINZ
2,
2G
x
eo
|Z
H
le
el
VY
L
=
?
Re)
e/
Rio?
|S
>
ra
V/50V_
|
R201
ge
|
8
cait
Xs
R
8
S
}
cu
cuz
(LR)
|
“tk
SS]
wriev
>
S|
17
35V(0.T)
1735viD.T)
Hn
Lok
Re
°
=
-Snu
x
‘o
+
a
=
8
o
a
8
g
oT?
5
+
=
©
+
g
es
Pade
33)
a
=
s
=
o
4
>
\J
io}
=
2}
iv
a
o
x
Ba
N
=x
iN
=
°
m
om
anKM=
O
a
as
a
&
z
telco
*
H
|
=
PLAY
BACKHEAD
=
Soave
Poe
tea
:
|
2
Q
g
9
=/Q6V
bf
H
2
i~<
7
<
=
a
Biv
|
vs
&
—N
6
C8
|
|
19.8V
25V.
R121
|
214
a
R233
C224
ha
R
(O)
b
iy
‘aes
nS
Jl02
cil4
|
=
95
nN
+
“oO
©
.]
|
2
rm
<
|
2
|
=
2
|
n=
8
(3)
=
|
rs)
1]
na
©
|
|
ze
|
|
cli
|
|
|
L
é
|
a
J
aan
|
|
R232
|
R134
R135.
|vRIoa|vRIO3
|
|
|
:
SWS5OI-
R-OUT
|
=
O-
O
Om
J
4
Dn
ce
ces
een
me
cee
ine
eee
cs
ce
es
ce
i
ee
on
ne
ee
ee
ee
ee
|
|
(aa
a
5
ome
|
0
SW502-2
t
|
|
do
|
R
|
|
SPEED
OUTPUT
MET
|
\
|
|
A
1
2
HIGH]
Low
TAPE
|
SOURCE
HIGH
es
oe
|
20
4
Q
0
c
Q
0
W503
|
|
S
&
eS
$w502-3
©
sws00-2
sw504-I7
,
|
q
|
|
p
cp)
ACD
|
RECORD,
METER
AMPL.
BOARD
—444444-0¢6-—-——----
et
ee
et
ate
ee
M
EQ
C312
0.015
C3l
0.15
/50V
ee
ou
56K
|
|
LINE
2
wn
roagcana
6G
°
Y
C313
sy
LINE
|
|N
R301
37
¢
LOINE
GUN:
|
|
R309
47k
ake
0.027
R322
47
|
2
G
w
og
G—w
4
b
|
Lo
R32i
68K
a
a
l
RIS4
1.2K
2.4/
4.2mH
x
x
Ko
x
|
co)
a
Ho
2
iw
.
fe)
o
ow
n
|
s
-
mz
oo
8
314
C315
ci28
x
7
>
mom
|0.0047
820P
J502
Os1ey
=
a
©
a
O
©
°
an
l\Y
es
|
RIO
Ik
2
N
fo}
O
|
=
R
wo.
fo}
2
=
a
O
z
0
a
=
©
|
-
O
ty
|
R
|
0
37V
RI47
;
Beak
J503
C132
S
@.
:
|
cs
CI35
so
RIS3
|
:
|
ww,
b
|
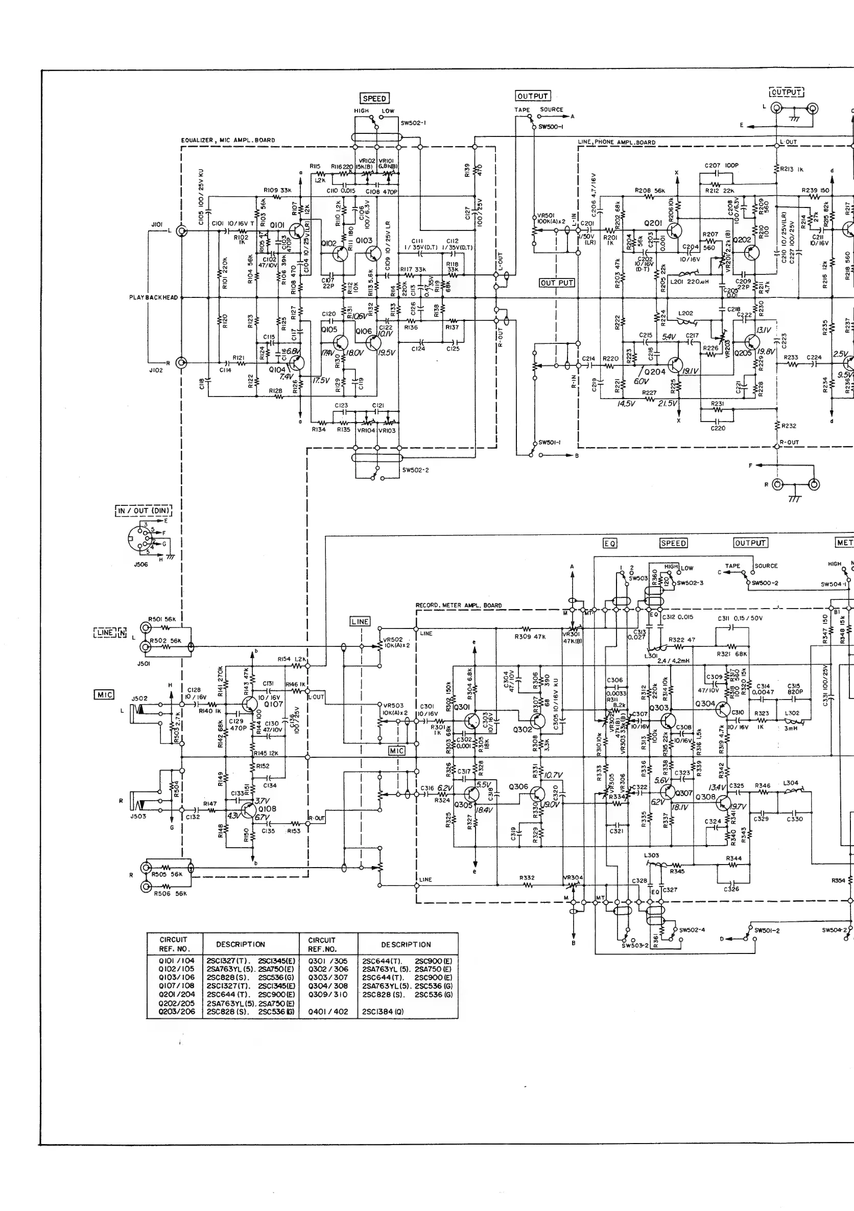
CIRCUIT
REF.
NO.
QI01
7104
Q1027105
Q103/
106
Q107/
108
0201
7204
Q202/205
Q203/206
CIRCUIT
DESCRIPTION
REF.NO.
DESCRIPTION
2SCI327(T).
2SCI345(E)
2SA763YL
(5).
2SA750(E)
2SC828(S).
2SC536(G)
2SC1327(T).
2SCI345(E)
280644
(T).
2SC900(E)
2SA763YL(5).
2SA750
(E)
2S8C828
(S).
2SC536
(6)
Q301
/305
Q302
/
306
Q303/
307
Q304/
308
Q3097/
310
2SC644(T).
2SC900(E)
2SATE3YL
(5).
2SA750
(E)
2SC644(T).
2SC900(E)
2SA76E3YL(5).
2SC536
(G)
“2SC82B(S).
2SC536
(G)
Q401
/
402
2SC1384
(Q)
b)
oe
O
=O
C=
OF
Oe
ee
eee
ee
ae
ee
ee
oe
OO
D
q_)
(i)
i
q_
2
4
Ep
sw502-4
Sw50I-2
SW504-2
560
Slo
o
D
9
O
.
SW503-2|
&

Other manuals for Teac A-4300SX

Related product manuals