EasyManua.ls Logo

Teac A-4300SX - Page 25

Teac A-4300SX
47 pages
Print Icon
To Next Page IconTo Next Page
To Next Page IconTo Next Page
To Previous Page IconTo Previous Page
To Previous Page IconTo Previous Page
Loading...
ERASE
/
REC
HEAD
ae
OUT
aos
oe
Or
Or
R213
1k
4
4
12
22k
R239
150
“7
ee
a
NN
S38
pe
®
29
=
tek
wo
2
Z>\|ne%
¥
°
>
lax
7
a
wo
ag
Q
y
=
a=
call
nx
0202
$8
0/16V
st)
Los
é
3
~
=o
2
g]
SY
788
ae
S
Es
Sf
oz
7
©
&
c209
x
si
ro)
Poget2P
SUR
LOV
R233
C224
(a
Q206
SS
e225
R229
™N
ao
VR203
oO
8
B
s
BS
&
|
230]
rai
2
~
Bene
6223
R235
€226
=
=
© ©
MT,
Ceal
1
a
IVR204
R238
oO
——
>
R234
4
Nn
So
ix)
R228
BIAS
OSC
BOARD
R403
4.7k
(>
(1/7
2W)
C406
i)
4200P/
250V
iS
O O
3.
2
a
4
se]
R406
33
ae
a
33
H
NORMAL
é
TAPE
|
source
ale
©
SW500-2
sw504-I}
2.2k(1/2W)
|
|
L-OUT
O
=
no
am
wD
309
S08
&
N
YS
C314
C315
rs)
OV
SmO&
10.0047
820P
=
=
m
4
8
t)
WA/
310
|
R323
L302
Oo
Hos
16V
IK
.
3mH
3gy|c325
R346
©
1304
>
TO
CONTROL
BOARD
18
<4
19.7V
1
+2IV
=
4
2
K3-1
(N.O)
324
27
c329
C330
is
+
o
8
ee
4
K7
(COIL)
.
5
ov
R344
6
K2-1
(N.C)
7
KI-4(N.C)
8
REC
BUTTON
c326
9
K4-1(COM)
eee
ee
10
K4-1
(N.C)
i)
AC
5.5V
sws0l-2
©)
METER
RECORD
PAUSE
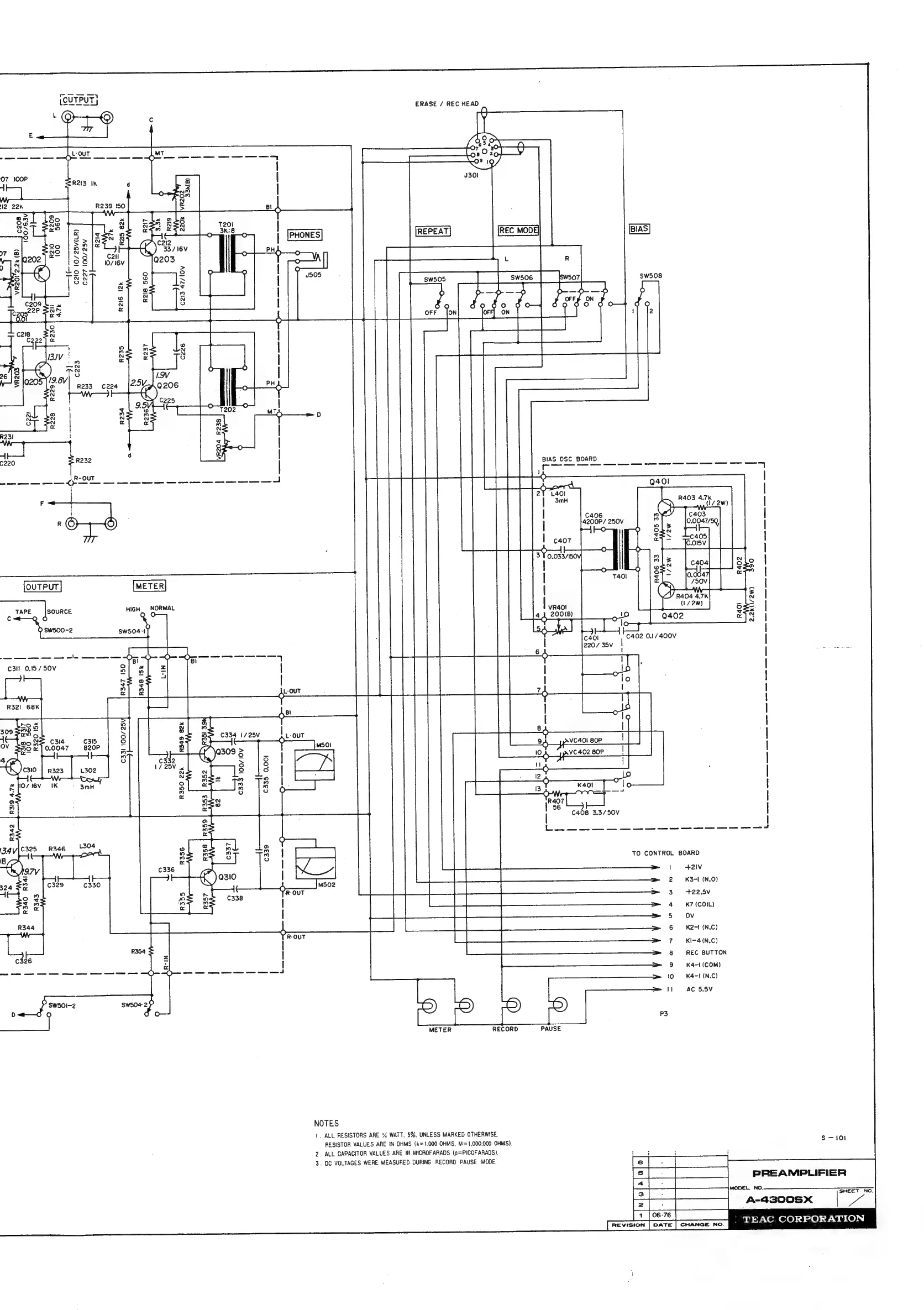
NOTES
|.
ALL
RESISTORS
ARE
%
WATT.
5%,
UNLESS
MARKED
OTHERWISE.
Rea
RESISTOR
VALUES
ARE
IN
OHMS
(k=1,000
OHMS,
M=1.000.000
OHMS).
2.
ALL
CAPACITOR
VALUES
ARE
IN
MICROFARADS
(p=PICOFARADS).
ye
:
3.
DC
VOLTAGES
WERE
MEASURED
DURING
RECORD
PAUSE
MODE.
le;
-
[|i
i
ee
es
PREAMPLIFIER
Cs
a
ee
ites
EET
SO
fs[
pL
Aagoosx
|
[a
fosre[
i
so
Com
O10):
10):
7-6
BO)
|
CHANGE
NO.
|

Other manuals for Teac A-4300SX

Related product manuals