EasyManua.ls Logo

Teac A-550RX - Page 36

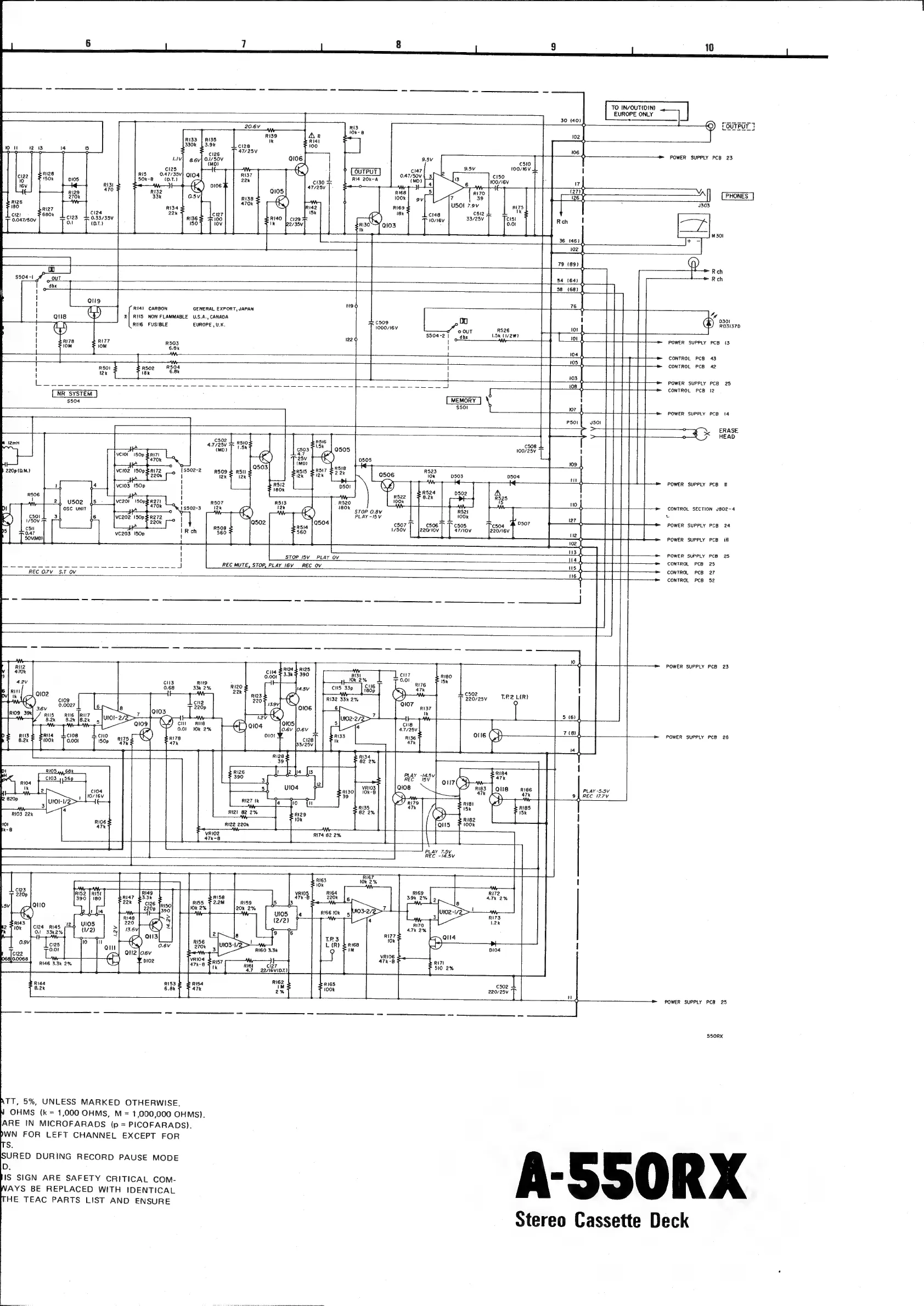
Teac A-550RX
40 pages
Print Icon
To Next Page IconTo Next Page
To Next Page IconTo Next Page
To Previous Page IconTo Previous Page
To Previous Page IconTo Previous Page
Loading...
-
OOOO
nn...
ww
ee
eC
TO
IN/OUT(DIN)
EUROPE
ONLY
30
(40)
os
ania:
peat
e
COUTPUT
3
2O.6V
ee
RI
pf
Se
ee)
OUTPUT:
Ax
Rid
100
?
?
>
POWER
SUPPLY
PCB
23
LIV]
gey|
O1750V
ci25
:
R128
RIS
0.47735V|
Q104
|
150k
5Ok-B
(D.T.)
éaoe
RI3I
a7e5v
|:
Y
wi“
Sf
Al
270k
33k
0.5V|
4303
180
Ri27
a
nI34
Cia
gov]
t
eci23
£0.33/35v
RI36
hae
33/250
:
Ot
(OT)
150
:
M30!
rie
102
&
79
(89)
(q)
Y
H
Reh
54
(64)
J
Reh
58
(68)
&
N99
76
RI4l
CARBON
GENERAL
EXPORT,
JAPAN
%y
RIS)
NON
FLAMMABLE
U.S.A.,
CANADA
Oo
0301
RIG
FUSIBLE
EUROPE
,
U.K
RD31370
UK
1000/16v
Sent
pase
$504-21
dbs
L5k
(72W)
1229
1
8
POWER
SUPPLY
PCB
[3
=
|
Bk
AM
oe
CONTROL
PCB
43
CONTROL
PCB
42
R504
tor
Sek
POWER
SUPPLY
PCB
25
CONTROL
PCB
12
NR
SYSTEM
$504
sso!
Coe
POWER
SUPPLY
PCB
14
rr
ae
ERASE
:
oR
X
HEAD
[
R510
RSI6
501
c502
4.7/25V
1.5k
(MD)
VCIOI
150p
$RI7I
f
470k
vcioz2
150pSRi72
»
{8502-2
R509
$
RSI!
220k
2k
F
12k
vcio3
15Op
os
es
150p$R271
470k
Q
+
POWER
SUPPLY
PCB
6
R507
CONTROL
SECTION
J802-4
$502-3
12k
{)
(KC)
R52
e
VC202
150}
aN
Na
PLAY
-I5V
100k
3
PSR27Z
220k
im
Q504
C505
POWER
SUPPLY
PCB
24
Roch
R508
47/10V.
VC203
15Op
560
POWER
SUPPLY
PCB
18
#
POWER
SUPPLY
PCB
25
CONTROL
PCB
25
CONTROL
PCB
27
—e
CONTROL
PCB
52
|
STOP
ISV__PLAY
ov
REC
MUTE,
STOP,
PLAY
IGV__REC
OV
-——_—_—__-CCo-
=
Ct
10
——™
POWER
SUPPLY
PCB
23
Ri24
$
Ri25
CU4
=
33k
>
390
RISI
cuz
RI
aie
ai
G.001
10k
2%
0.01
He
0.68
33k
2%
Rizo
Pag
cus
339
|
GUS
aoe
I
I.
Qs
gy
9.0027
8
220p
0106
6
RI09
39%]
7
7__
{9103
Ki)
7
5
(6)
RIS
RUG
IRUT
>
Gg
n2v
Oe
Y
FE
HAD
letra
QZ)
cin
Rie
CF)
a104
Q105
5
4
0.01
10k
2%
o.6v
lo.6v
Ue
718)
4
———»
POWER
SUPPLY
PCB
26
RI78
47k
é
RI34
3
82
2%
i
3
$
VRIO3
PLAY
-5.5V
§130]
10k-8
9]
REC
I7.7V
RI27
Ik
7
Y
if
R135
RI21
82
2%
82
2%
R22
220k
ANN
RI74
82
2%
RI69
39k
2%
dle
180
Quo
\
bls
WS
12}
UlOS
Gat
35K2%
hi
2)
|
\
|
sg]
2
ae
RI4G
3.3k
2%
|
Ri62
Riaa
RIS3
RI54
R165
502
82k
6.8k
47k
a
100k
220/25V
POWER
SUPPLY
PCB
25
-—_—_———O
ee
S550RX
ATT,
5%,
UNLESS
MARKED
OTHERWISE.
OHMS
(k=
1,000
OHMS,
M
=
1,000,000
OHMS)
ARE
IN
MICROFARADS
(p
=
PICOFARADS).
DWN
FOR
LEFT
CHANNEL
EXCEPT
FOR
Ss.
URED
DURING
RECORD
PAUSE
MODE
D.
=
IS
SIGN
ARE
SAFETY
CRITICAL
COM-
AYS
BE
REPLACED
WITH
IDENTICAL
HE
TEAC
PARTS
LIST
AND
ENSURE
Stereo
Cassette
Deck

Related product manuals