EasyManua.ls Logo

Teac A-550RX - Page 38

Teac A-550RX
40 pages
Print Icon
To Next Page IconTo Next Page
To Next Page IconTo Next Page
To Previous Page IconTo Previous Page
To Previous Page IconTo Previous Page
Loading...
ad:
baa
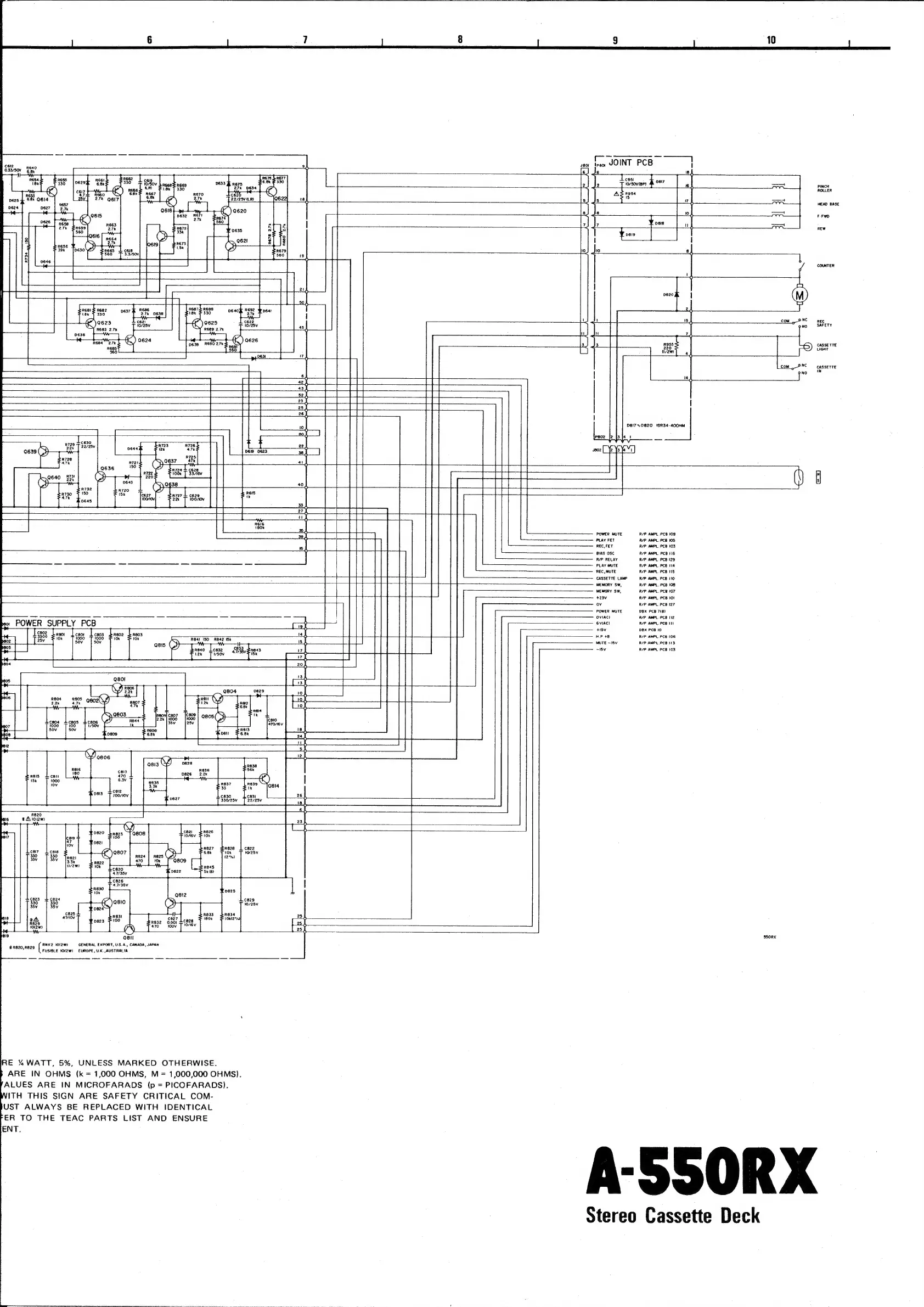
JOINT
PCB
10
68k
;
R654
RESS
R66!
nse
Tes
18k
330
|
0629)
68k
330
fRov
RE6eT
REE
D633
()
pecce
©?
F1.ex
7330
Re
R667
R670
rey
NN
Bk
i
2.7k
22/25V
(LR)
(0620
S
R674
‘560
pf
KR)
262!
RE7S
27%
Cr
a
ee
nD
SRR
YD
CO
CA
a
POWER
MUTE
R/P
AMPL
PCB
109
PLAY
FET
R/P
AMPL.
PCB
105
REC,
FET
R/P
AMPL.
PCB
103
BIAS
OSC
R/P
AMPL.
PCB
116
R/P
RELAY
R/P
AMPL.
PCB
I29
PLAY
MUTE
R/P
AMPL.
PCB
114
REC,
MUTE
R/P
AMPL.
PCB
IIS
CASSETTE
LAMP
R/P
AMPL.
PCB
110
MEMORY
Sw,
R/P
AMPL.
PCB
108
MEMORY
Sw,
R/P
AMPL.
PCB
IO7
423V
R/P
AMPL
PCB
101
ov
R/P
AMPL.
PCB
I27
POWER
MUTE
Bx
PCB
718)
OWAC)
R/P
AMPL.
PCB
112
6VIAC)
R/P
AMPL.
PCB
IH
REA
150
RB42
ISk
Wr
R804
22k
Re34
tOK(2%%.
RNX2
10(2W)
GENERAL
EXPORT,
U.S.A.,
CANADA,
JAPAN
FUSIBLE
10(2W)
EUROPE,
U.K.,AUSTRALIA
¥RB20,R629
f
RE
%
WATT,
5%,
UNLESS
MARKED
OTHERWISE.
ARE
IN
OHMS
(k
=
1,000
OHMS,
M
=
1,000,000
OHMS).
ALUES
ARE
IN
MICROFARADS
(p
=
PICOFARADS).
ITH
THIS
SIGN
ARE
SAFETY
CRITICAL
COM-
UST
ALWAYS
BE
REPLACED
WITH
IDENTICAL
ER
TO
THE
TEAC
PARTS
LIST
AND
ENSURE
ENT.
+15V
Bx
PCB
IO
HP
+B
R/P
AMPL.PCB
106
MUTE
-I5V
R/P
AMPL.PCB
IIS
~15V
R/P
AMPL
PCB
103
SSORX
COUNTER
REC
SAFETY
CASSETTE
UGHT
CASSETTE,
"
A-SSORX
Stereo
Cassette
Deck

Related product manuals