EasyManua.ls Logo

Teac A-550RX - Page 4

Teac A-550RX
40 pages
Print Icon
To Next Page IconTo Next Page
To Next Page IconTo Next Page
To Previous Page IconTo Previous Page
To Previous Page IconTo Previous Page
Loading...
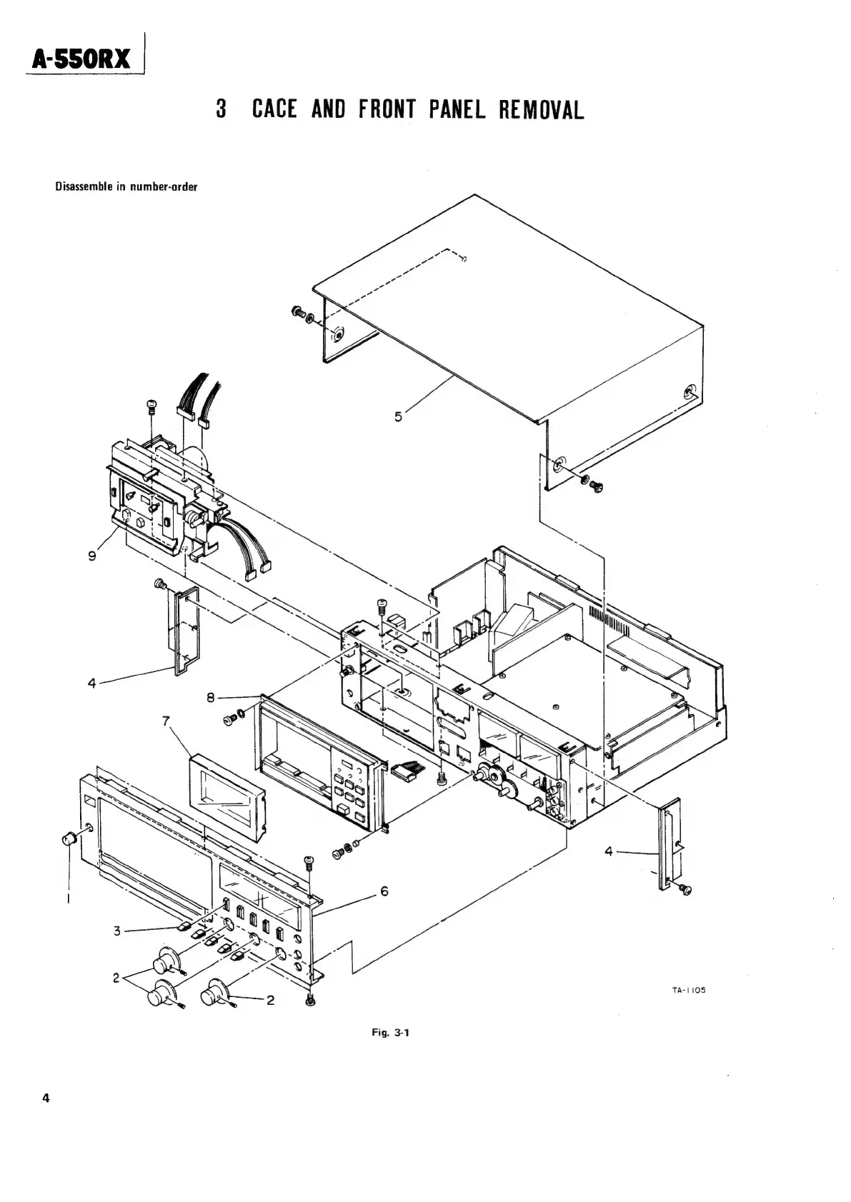
A-SSORX
3
CACE
AND
FRONT
PANEL
REMOVAL

Related product manuals