EasyManua.ls Logo

Teac AG-15D - Page 7

Teac AG-15D
7 pages
Print Icon
To Previous Page IconTo Previous Page
To Previous Page IconTo Previous Page
Loading...
86 74 52 31
E
D
C
B
A
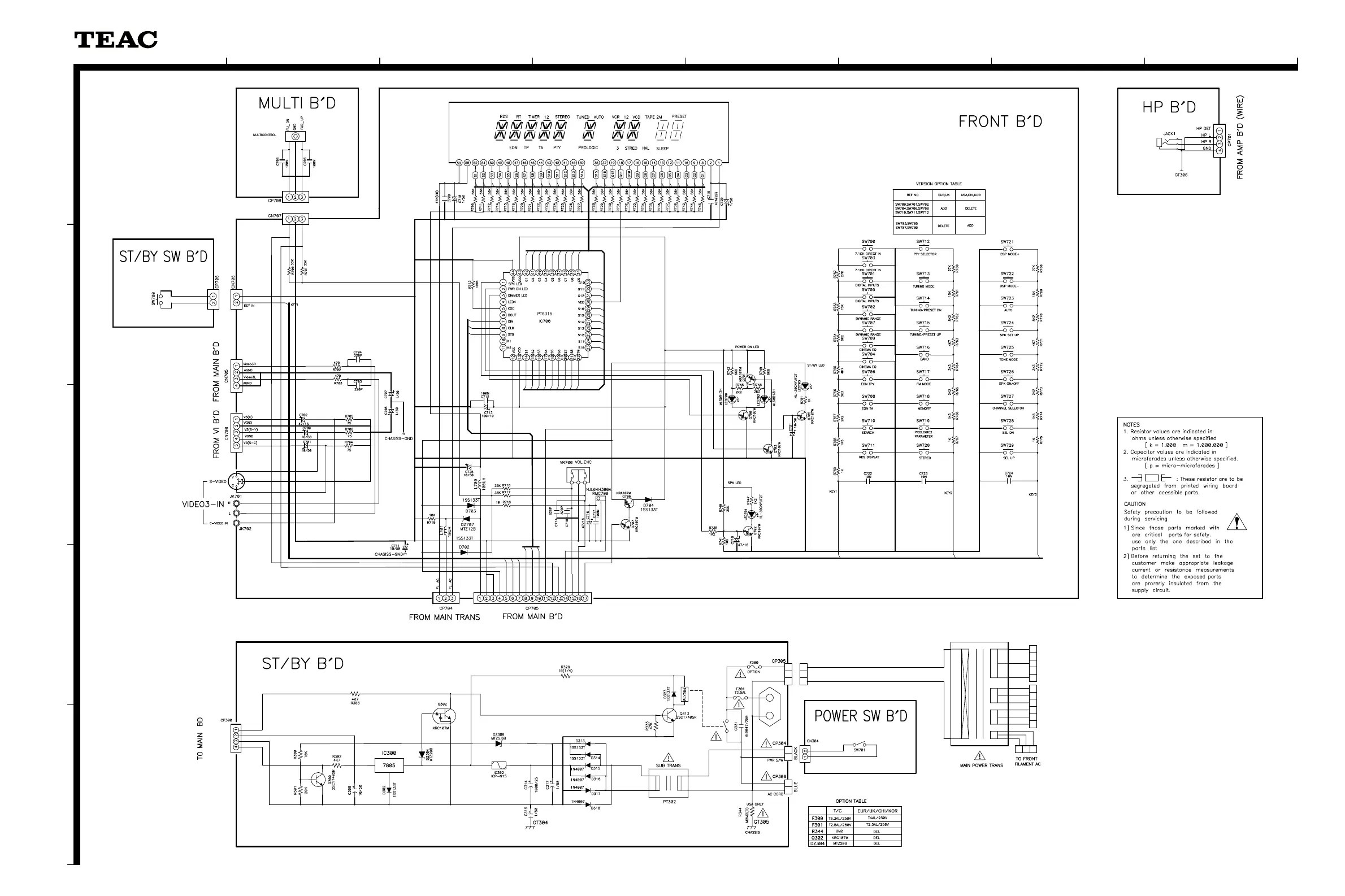
SCHEMATIC DIAGRAM
AG-15D/AG-7D
ST/BY SW PCB, MULTI PCB, FRONT PCB, HP PCB, ST/BY PCB, POWER SW PCB
AV Digital Home Theater Receiver
AAGG--1155DD//AAGG--77DD
1 st Issue; November 2004
-30V
GND
KEY2
FLT DATA
FLT CE
FUN DN
RMC
VR UP
+5V6
FLT CLK
KEY1
KEY3
GND
FL B+S/W
VR DN
FUN UP
ST/BY LED
FLT701
GND
ST RLY
P/D
+5V6(ST/BY)

Related product manuals