EasyManua.ls Logo

Teac AG-790A - Page 4

Teac AG-790A
26 pages
Print Icon
To Next Page IconTo Next Page
To Next Page IconTo Next Page
To Previous Page IconTo Previous Page
To Previous Page IconTo Previous Page
Loading...
4
AG-790A
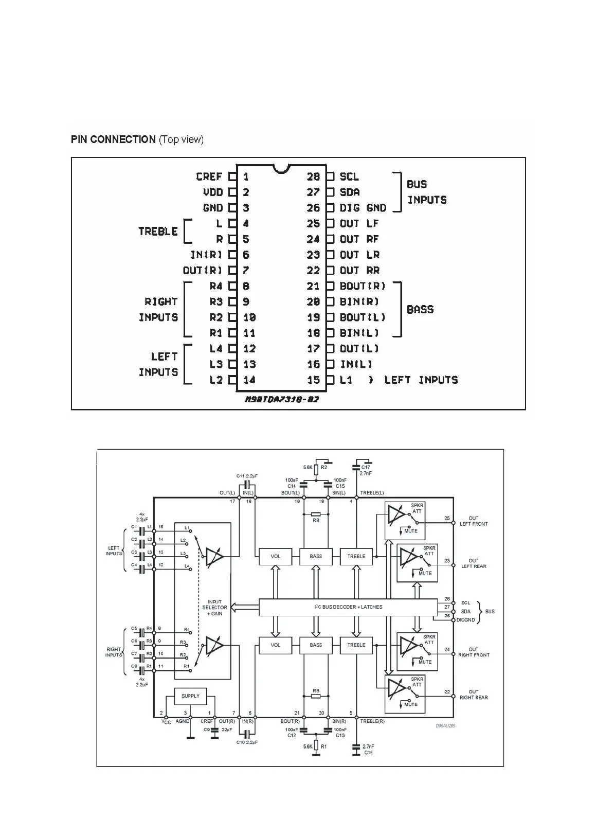
TTDDAA77331188DD ((IICC2233))
BBLLOOCCKK DDIIAAGGRRAAMM

Related product manuals