EasyManua.ls Logo

Teac CX-210 - Page 25

Teac CX-210
28 pages
Print Icon
To Next Page IconTo Next Page
To Next Page IconTo Next Page
To Previous Page IconTo Previous Page
To Previous Page IconTo Previous Page
Loading...
TEAC
SCHEMATIC
DIAGRAM
1
2
3
:
4
5
6
7
8
_
=
se
a
7
=
FLOURESCENT
REC/PLAY
AMPL
PCB
av
2SC945AK
PEAK
LEVEL
METER
t
ci02
47/16v
RIO3
1.2k
MIO!
DOLBY
NR
[C
UIO2
A
Say)
rie
LMIOIIN
J
y
R04
WS
e3v
UP
CIO32H
Gier
REC/PLAY
HEAD
clo4
Ti
*
tia
yn
Oe
eNIor
loop
a
~
1888
ach
ity
fatal
[METER]
a
Os
gs,
|
[PHONES]
arext
SI,
-7008
(M0)
RIOS
120k
J103
°
°
®
I
clos
MANUALT’
|
DIM
S903
10
0.027/50V
==
Rice
27k
|
RI0B
Lek
cr
|
|
|U]Cd
Cee
Fr
peg
arc
cp
cep
7
RIO
Y
t
00047/50V
(i?
476
esos
6
SSo901
nels
a3e8
150
Qs02
c905
'
470
63V
CotCrOa)
4
sea73VEx2
10904
B45
B
PLAY
~#—e=
REC
-5d8
Set
{OUTPUT}
a
_
'
|
x.
TT
Tas
‘47/25V
aE
2Scie44F
3Sca45AK
e
=
z
Ret
cS
o7
|~20.5d8(ColCrO2))
28,
5dB(Co(CrO2))}
|
O901=7
0208
IN/(
ouT
(in)
-22,5dB(NORMAL)
-30.5dB(NORMAL)
or
Mina
259
45AK
(EUROPE
ONLY)
Sy
|
(Cof¢r02z))
CotCro2)
=
12.508
(NORMAL)
Osc
UNIT
-s74B
100kHz
'2mH
:
]
RI50
220
'
reIne
iW}
-908
|
1
|
RI38
H
47k
0
os
Q
1
ie
(MIC7LINE].
—ormat
noma
sos
=
Bias}
4
ra
=
a
DIOI~
D104
Rech
>
ae
a
,
1SR34-200HM)
Ti
egnld
a
29.5V
°
06
EUROPE
CANADA
GENERAL
AUSTRALIA
g
stop—s—=pLay
|
a
e
22-9
9
£-§
2
_f-4
0
pg
°o
pig
o
=
YEL
?
=
a
D
g
88
hea
8
!
c144
N
g
Sm
8g
DI05~DI08
I
ISR34—200HM
BLU
5
iG
220V
6V
65mA
AC
POWER
IN
vio
Se
A
GRY
if
NOTES.
E
U101
uPC1032H
a901~0904
2SC945AK
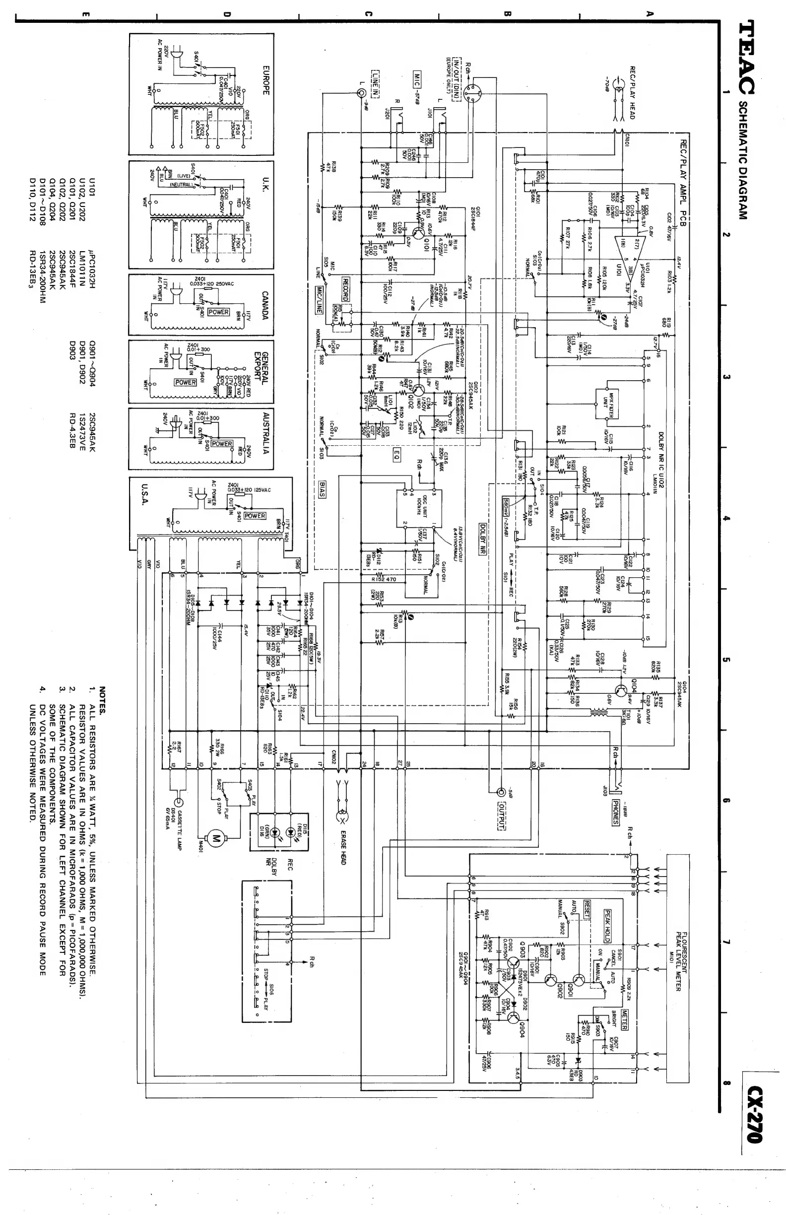
1.
ALL
RESISTORS
ARE
“WATT,
5%,
UNLESS
MARKED
OTHERWISE.
U102,
U202
LM1011N
D901,
D902
182473VE
RESISTOR
VALUES
ARE
IN
OHMS
(k=
1,000
OHMS,
M
=
1,000,000
OHMS}.
Q101,
0201
2SC1844F
D903
RD-4.3EB
2.
ALL
CAPACITOR
VALUES
ARE
IN
MICROFARADS
(p
=
PICOFARADS).
Q102,
Q202
2SC945AK
3.
SCHEMATIC
DIAGRAM
SHOWN
FOR
LEFT
CHANNEL
EXCEPT
FOR
Q104,
0204
2SC945AK
SOME
OF
THE
COMPONENTS.
D1i01~
D108
1SR34-200HM
4.
DC
VOLTAGES
WERE
MEASURED
DURING
RECORD
PAUSE
MODE
D110,
D112
RD-13EB3
UNLESS
OTHERWISE
NOTED.

Related product manuals